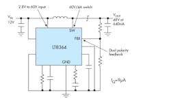
Suitable for applications with input sources ranging from a single-cell Li-ion battery to automotive inputs, telecom power supplies, and industrial power rails, Linear Technology’s LT8364 is a current mode dc/dc converter with an internal 60V, 4A switch operating from a 2.8V to 60V input.
Using a single feedback pin architecture, the part is capable of boost, SEPIC, or inverting configurations. In boost it is designed to convert a 4.5V to 20V source to 24V, with up to 1.6A, depending on input voltage, at a switching frequency of 2MHz. The switching frequency can be programmed between 300kHz and 2MHz, enabling designers to minimize external component sizes and avoid critical frequency bands (e.g., AM radio).
The 100mΩ power switch delivers efficiencies of over 95%, according to Linear. It also offers spread spectrum frequency modulation to minimize EMI concerns. A single feedback pin sets the output voltage whether the output is positive or negative, minimizing pin count. Other features include external synchronization, programmable UVLO, frequency foldback, and programmable soft-start.
In Burst Mode operation the LT8364 consumes as little as 9μA quiescent current to maintain high efficiency at low output currents, while keeping typical output ripple below 15mV. For those unfamiliar with Linear’s Burst Mode, the technology allows a switch-mode power supply to provide high efficiency even when lightly loaded by turning off non-essential circuitry when the output is in regulation, but keeping a comparator actively monitoring the output so the control circuitry can quickly be turned on again when the output begins to droop. Then, as the load current increases, the converter will automatically transition between Burst Mode to a lower-noise PWM mode of operation. Conversely, the converter will automatically transition from PWM operation to Burst Mode operation when the load decreases.
On the LT8364, an external compensation pin allows optimization of loop bandwidth over a wide range of input and output voltages and programmable switching frequencies. A SYNC/MODE pin allows synchronization to an external clock. It can also be used to select between burst or pulse-skip modes of operation with or without Spread Spectrum Frequency Modulation for low EMI. For increased efficiency, a BIAS pin can accept a second input to supply the INTVCC regulator. Additional features include frequency foldback and programmable soft-start to control inductor current during startup.
The LT8364EDE is available in a 4mm x 3mm DFN-12 package and the LT8364EMSE is available in an MSOP-16E (4 pins removed for high voltage spacing). Industrial temperature (–40°C to 125°C) versions (LT8364IDE and LT8364IMSE), and high temperature (–40°C to 150°C) versions (LT8364HDE and LT8364HMSE) are also available. The IC includes overtemperature protection that is intended to protect the device during overload conditions (junction temperature will exceed 150°C when over-temperature protection is active). Also available in this family is the LT8362 low IQ Boost/SEPIC/Inverting converter with 2A, 60V switch.
To assist engineers in using the LT8364, Linear offers the DC2716A demo board. The demo circuit features the LT8364 in boost configuration. It is designed to convert a 4.5V to 20V source to 24V, with up to 1.6A, depending on input voltage, with a switching frequency of 2MHz. While the LT8364 can operate with inputs as high as 60V, in the demo circuit the input is limited by the level of the output voltage. The demo board contains a selectable jumper, to aid in the selection of the desired Sync pin mode of operation. The default setting is Burst Mode operation. Design files for the circuit board are available online via the Linear Technology website.

