Download this article in PDF format.
Power-supply designers frequently encounter projects where the input voltages are much higher compared to the low output voltages usually require to power the target equipment. Typical output needs are 3.3, 5, or 12 V, while inputs can range from about 24 V to as much as 100 V in some cases.
The high input voltage, typically from a battery or power system bus, often forces designers to use more stages and multiple discrete devices to get the desired results, thereby driving up the circuit complexity and cost. But now, such problems can be solved by deploying a range of new wide VIN power-management ICs that help simplify design, reduce BOM cost, and enhance reliability.
Sponsored Resources:
- Wide VIN power management ICs simplify design, reduce BOM cost, and enhance reliability
- Why a wide VIN DC/DC converter is a good fit for high-cell-count battery-powered drones
- How to minimize undershoot when the pre-boost converter wakes up
Typical Use Cases
Many power systems use high-voltage rails to meet power requirements of the application or achieve efficiency goals. Real-world examples include communication infrastructure, industrial, automotive, and consumer electronic systems. For instance, telecom equipment commonly uses 48-V dc rails that can often swing from about 36 up to 72 V. Power over Ethernet (PoE) equipment uses rail voltages in the 37- to 57-V range. And industrial systems using motors often operate at voltages ranging from 24 to 100 V. These dc voltages come from power buses in other equipment and increasingly from battery supplies. The power buses are the source of power for the low-voltage supplies that operate other equipment.
In general, three types of systems require high voltage. First are the systems that must operate at high-voltage levels. Examples include electric vehicles, drones, and other battery-powered equipment. Second are those systems that need to be protected from high-voltage surges and transients. Third, there are systems that don’t necessarily need high voltage, but it’s desirable for efficiency or safety.
Now wide-input-voltage power-management ICs are available that can significantly simplify the design of high-voltage power supplies. These high-voltage power-management integrated circuits can reduce component count, enhance reliability, and facilitate design reuse. Texas Instruments, using advanced, custom semiconductor-processing methods with different doping concentrations and wider component and lead spacing, has developed a complete product line of wide-VIN ICs that include power managers, dc-dc converters, LDOs, and complete power modules.
Wide-VIN Representative Designs
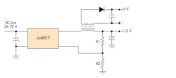
An example shown in Figure 1 is a telecom supply with a nominal output of 48 V, but with potential bus variations from 36 to 72 V. A 12-V supply output is needed. Occasionally an isolated additional supply voltage may also be required.
1. Here’s a simplified diagram of a synchronous buck regulator used to compensate for wide voltage swings while producing stable 5- and 12-V outputs.
To solve this problem, designers can integrate a TI LM5017 synchronous buck regulator. The primary output of 12 V is set by resistors R1 and R2. The filter inductor also serves as the primary winding of a transformer to implement the fully isolated 5-V supply. The switching frequency that can be as high as 1 MHz is set by an external resistor.
Growth in the use of commercial drones has produced some interesting power requirements. More and more, these larger drones require higher voltage motors with high-cell-count battery packs to support longer flying distances and flight times. As it turns out a wide-VIN dc-dc converter is a good fit for such high-cell-count battery-powered drones.
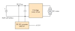
Figure 2 shows a drone power solution. A multi-cell lithium-ion battery pack is used to develop a 50-V bus to power the motors. This voltage is applied to an H-bridge motor driver made up of power MOSFETs to provide forward and reverse control. The normal mode is a forward current path through the motor. However, if the motor slows or changes directions, it becomes a generator that can put a high reverse current and voltage overshoot on the supply bus. To protect the system, a large electrolytic capacitor and/or a transient voltage suppressor (TVS) diode is usually added to the bus (not shown).
2. This common configuration for a high-battery-supply-voltage bus supplies an H-bridge motor driver and a wide VIN dc-dc converter to generate low voltages for other circuits.
Also tied to the main bus is a wide VIN dc-dc converter that supplies 3.3 V to an MCU and other circuits. One device that meets these requirements is the LM5161, a 100-V, 1-A synchronous buck converter. Its built-in protection circuits eliminate the need for a large electrolytic capacitor or TVS diode on the main battery bus.
Solving for Start-Stop Systems
Another application for wide-VIN solutions is in vehicles with a start-stop system. When the vehicle is stopped, the engine turns off to conserve fuel and minimize emissions. When restarting, the battery voltage drops to a very low level. For instance, the drop may be from a nominal 12 V to 8 V during starting. This wide swing will impact electronic systems in the vehicle such as ADAS or infotainment equipment. To continue to provide the proper voltages to the various loads, a pre-boost converter is often used. A key problem is how to minimize undershoot when the pre-boost converter wakes up to compensate for the battery voltage drop.
One solution is to use a wide-input-range automatic pre-boost controller like the LM5150-Q1. Its objective is to maintain the output voltage from a vehicle battery during automotive cranking or from a backup battery during the loss of vehicle battery. This IC operates in low IQ standby mode when the input or output voltage is above the preset standby thresholds. Then it automatically wakes up when the output voltage drops below the preset wakeup threshold. The LM5150-Q1 has a fast switching frequency of 2.2 MHz that minimizes AM band interference and allows for a small solution size and fast transient response to minimize undershoot.
High voltage and wide voltage swings should no longer be considered problems in power-supply design. Many devices, reference designs, and modules are available to tackle most applications. Explore the subject further with the resources listed here.
Sponsored Resources:
About the Author

Lou Frenzel
Technical Contributing Editor
Lou Frenzel is a Contributing Technology Editor for Electronic Design Magazine where he writes articles and the blog Communique and other online material on the wireless, networking, and communications sectors. Lou interviews executives and engineers, attends conferences, and researches multiple areas. Lou has been writing in some capacity for ED since 2000.
Lou has 25+ years experience in the electronics industry as an engineer and manager. He has held VP level positions with Heathkit, McGraw Hill, and has 9 years of college teaching experience. Lou holds a bachelor’s degree from the University of Houston and a master’s degree from the University of Maryland. He is author of 28 books on computer and electronic subjects and lives in Bulverde, TX with his wife Joan. His website is www.loufrenzel.com.


