How to Measure Current, Power for Improved System Monitoring
Download this article in PDF format.
If you're seeking a way to measure current and power in a circuit, you need to know about current-sense amplifiers (CSAs). A CSA is a specialized op amp connected as differential amplifier with precision gain resistors on-chip. Its most common application is overcurrent protection in a wide range of products. These ICs make it easy to implement small, inexpensive overcurrent-protection features.
Sponsored Resources:
- Explore Solutions for Measuring Current and Power
- Learn how to monitor your system current with the INA190
- Why should you care about overcurrent protection in your system?
Current-Sense Amplifiers
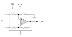
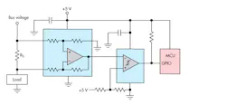
Figure 1 shows the basic circuit configuration. The op amp is connected as a differential amplifier. The input and feedback resistors are precisely matched to ensure good common-mode rejection. Resistor values determine the gain; multiple gain options are available. An enable (EN) input activates the circuit.
1. The current-sense amplifier is a precision differential op amp with on-chip gain resistors.
One key feature of a CSA is good support for common-mode voltages that are greater than the supply voltage. Some devices cover the −16- to +80-V range. Another important feature is ultra-low input offset voltage. With this error source kept low, greater measurement accuracy is possible. Good temperature stability is also a common characteristic achieved by integrating the gain resistors with the amplifier and related parts.
Measurement Configurations
Current-sense amplifiers are primarily used for overcurrent protection. However, other applications may include current measurement for power calculations or developing an accurate feedback signal in a closed-loop control system.
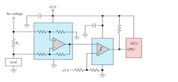
The most common circuits for current determination are given in Figure 2. A sense resistor is connected in series with the supply line carrying the desired current. The CSA is connected across or in shunt with this resistor; the sense resistor is some very low value to avoid introducing an error. The resistor’s precise value is known. The CSA then measures the voltage across the resistor, which in turn allows the current to be calculated via Ohm’s law.
2. One common current sense application places a sense resistor between the load and ground (a). Another common application has the sense resistor between bus voltage and load (b).
Note in Fig. 2a that you can connect the sense resistor in the low side of the power line between the load and ground. Alternatively, the sense resistor can be connected between the bus voltage and load (Fig. 2b). The low sense resistor value, the precision CSA gain, and its low offset help ensure a highly accurate current measurement. A common destination for the CSA output is an ADC inside a microcontroller or separate chip. The ADC I2C output to an MCU is a value used to make a current-sense decision.
The sense-resistor value is very low so that it doesn’t materially affect the load current. In addition, the voltage across this resistor should be significantly lower than the input offset voltage of the CSA. This ensures good measurement accuracy.
For example, a sense resistor of 0.001 Ω with a load current of 20 A will produce a voltage of 0.02 V or 20 mV. This is usually much higher than the offset. CSA offsets are generally in the range of ±10 to ±150 µV. That sense resistor output voltage will typically be amplified by the CSA gain of 100 to 2 V, which is within range of the ADC.
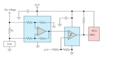
3. A comparator is used to detect a current overload as determined by the voltage-divider set point.
Another popular configuration is illustrated in Figure 3. The output of the CSA is applied to a comparator. The other input to the comparator is a set-point voltage from a voltage divider. This voltage determines the overcurrent limit. When the current measurement exceeds set-point voltage, the comparator output switches, signaling the need for some action. The destination is a GPIO input on an MCU.
More Applications
CSAs find their way into many other applications after engineers become aware of them. One such application is an electronic fuse in automobile electrical systems. This eFuse is designed to replace older standard fuses in the auto fuse box. These older fuses have low accuracy in ampere rating and slow response time. As more exotic electronic gear becomes integrated into vehicles these days, many require much more accurate and faster protection. The eFuse connects between the battery and the load, and can be set up to handle current in either direction.
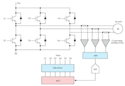
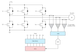
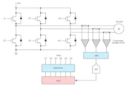
Three-phase motor control is another use case that requires overcurrent monitoring and protection. Operating a motor from a three-phase inverter is an example (Fig. 4). The output current from each of the three IGBT half-bridges can be readily monitored with a CSA. The CSA outputs are multiplexed to the ADC that feeds the current measurements back to the MCU.
4. Here, CSAs are monitoring the output of a three-phase IGBT inverter operating an ac motor.
Example Products
A typical CSA IC is Texas Instruments’ INA190 series of devices. These voltage-output, current-shunt monitors are commonly used for overcurrent protection, precision-current measurement for system optimization, or in closed-loop feedback circuits. The devices can sense drops across shunts at common-mode voltages from –0.1 V to +40 V, independent of the supply voltage. Supply voltage is in the 1.7- to 5.5-V range.
The INA190 monitors come with fixed gains of 25, 50, 100, 200 and 500 V/V; maximum gain error is ±0.3%. The low offset voltage maximum is ± 15 µV, which permits shunt voltage drops up to 10 mV. These devices can be used in either high-side or low-side current monitoring. The output is typically sent to an ADC. Packaging is either UQFN or SC70.
For comparator overcurrent detection, a separate comparator chip can be used, although it results in extra cost and board space. An alternative is the TI INA300, a device that integrates the CSA and a comparator. A single external resistor establishes the set point. The output is designed to connect to an MCU GPIO input. While no exact current measurement output is available, the device greatly cuts cost and board space.
Sponsored Resources:
About the Author

Lou Frenzel
Technical Contributing Editor
Lou Frenzel is a Contributing Technology Editor for Electronic Design Magazine where he writes articles and the blog Communique and other online material on the wireless, networking, and communications sectors. Lou interviews executives and engineers, attends conferences, and researches multiple areas. Lou has been writing in some capacity for ED since 2000.
Lou has 25+ years experience in the electronics industry as an engineer and manager. He has held VP level positions with Heathkit, McGraw Hill, and has 9 years of college teaching experience. Lou holds a bachelor’s degree from the University of Houston and a master’s degree from the University of Maryland. He is author of 28 books on computer and electronic subjects and lives in Bulverde, TX with his wife Joan. His website is www.loufrenzel.com.
Voice Your Opinion!
To join the conversation, and become an exclusive member of Electronic Design, create an account today!

Leaders relevant to this article:




