Power needs regulating. It doesn’t usually come in the form we need. A great deal of integrated circuits can’t operate when a battery is at full charge, and when it’s approaching the end of its useful life. Power needs to be boosted, bucked, and regulated to meet the needs of the IC.
To accomplish this feat, engineers and designers typically reach for devices like low-dropout (LDOs) and buck/boost regulators, as they should. As time goes on, these devices get smaller, more efficient, more feature-rich. External parts count drops, and ripple goes down.
However, as the reader is undoubtedly aware, there are other ways to convert voltage. A list of some of the more unusual and esoteric methods follows below. Some of them, like the forward-converter, is extremely widespread, found in computer everywhere. In no way is this list exhaustive, but it will lead you to the cusp of the rabbit-hole so to speak.
Far-Ranging Regulation Approaches
(Courtesy of Wikipedia)
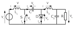
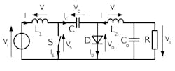
Designed by Professor Slobodan Ćuk at Caltech, the converter is constructed with two inductors, two capacitors, a diode, and a switching element. It can step-up and step-down the voltage applied to its input terminals. The output of a Ćuk converter has a polarity opposite its input voltage. It’s also notable for being able to operate in discontinuous voltage mode. This is when the voltage across the coupling capacitor is allowed to drop to zero during the commutation cycle. Incidentally, the presence of the coupling capacitor lowers the EMI radiation. Click here to view the first of two videos that do a great job of analyzing the Ćuk Converter.
The single-ended primary-inductor converter (SEPIC) is very similar topologically to the Ćuk converter. The output of the SEPIC converter is the same polarity as its input. Its output voltage can shift higher or lower than its input voltage. Depending on the exact topology, a SEPIC converter typically has a smaller parts count than other converter types. For more detailed information, Texas Instruments offers an application report on SEPIC converter design.
(Courtesy of Wikipedia)
The cornerstone of the forward dc-dc converter is a transformer. However, it still has a switching element just like the other converters on this list. Depending on how the transformer is wound, it may have numerous outputs higher and lower than the converter’s input voltage. The transformer provides galvanic isolation between the load and the input voltage. Energy is transferred from the input coil to output coils via induction.
(Courtesy of Wikipedia)
The flyback is a unique entry on this list because it’s used to switch both dc to dc and ac to dc. It looks very similar to the forward converter, but it operates on different principles and provides galvanic isolation between input and output. The flyback converter shown uses a collapsing magnetic field rather than induction to transfer energy from transformer coil to transformer coil. Notice that the switching element is on the primary side of the transformer.
(Courtesy of Maxim Integrated)
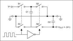
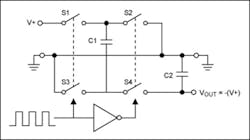
Charge pumps represent really simple types of dc-dc converters that use capacitors to raise or lower an input voltage. Charge pumps are commonly found built into devices like logic-level shifters or wherever a low-cost and low-power solution is needed. Cell phones are packed with charge pumps. Shown is a charge pump with an active switching element. For more, check out Maxim’s tutorial on charge pumps.
Nice to Have in Your “Back Pocket”
Over the course of your career, you may never use or encounter any of these methods, but it never hurts to have at least a cursory knowledge of them. Though you might not design your own LDO regulator, familiarizing yourself with the principles of its operation helps you better understand when and how to use the device, as well as do troubleshooting when it’s not working.
In the very least, it will make you sound like a whiz at the next design review. Actually, be careful with information like this. You may end up sounding like an electrical-engineering historian and thus be judged “no fun” to hang out with after work.
About the Author
Cabe Atwell
Technology Editor, Electronic Design
Cabe is a Technology Editor for Electronic Design.
Engineer, Machinist, Maker, Writer. A graduate Electrical Engineer actively plying his expertise in the industry and at his company, Gunhead. When not designing/building, he creates a steady torrent of projects and content in the media world. Many of his projects and articles are online at element14 & SolidSmack, industry-focused work at EETimes & EDN, and offbeat articles at Make Magazine. Currently, you can find him hosting webinars and contributing to Electronic Design and Machine Design.
Cabe is an electrical engineer, design consultant and author with 25 years’ experience. His most recent book is “Essential 555 IC: Design, Configure, and Create Clever Circuits”
Cabe writes the Engineering on Friday blog on Electronic Design.
Voice Your Opinion!
To join the conversation, and become an exclusive member of Electronic Design, create an account today!

Leaders relevant to this article:







