What’s the Difference Between Fixed-Ratio, Regulated, and Semi-Regulated IBCs?
When I was an account manager/apps engineer at Texas Instruments, for the Lucent Technologies (and later the Alcatel-Lucent account) worldwide, I had a great deal of involvement with intermediate bus converters (IBCs) with respect to telecom industry needs in the central office. The standard 36- to 60-V distribution voltage (nominal 48 V) would be converted to many different lower-voltage loads by point-of-load (PoL) dc-dc converters, which are often isolated. These PoL converters typically follow an IBC.
In today’s electronics world, the data center has far surpassed the telecom central office as a user of the IBC. with a nominal 48 V to the data rack. Such IBCs come in multiple flavors, so let’s examine what differences exist between fixed-ratio, regulated, and semi-regulated IBCs.
The Fixed-Ratio IBC
The fixed-ratio IBC usually will have a wide input range. However, what makes it unique is the step-down ratio from input to output of 2:1 or some other fixed ratio.
The Dickson dc-dc converter2 is a subset of the fixed-ratio IBC. It can have larger step-down ratios such as 6:1 and more. A common input/output for this converter is 54 V to 9 V. The Dickson charge-pump converter uses no inductors. It’s a capacitor-based architecture, but beware of its nonlinear gain—you may have to use a complex feedback arrangement to have a controllable output.
To Regulate or Not Regulate—That’s the Question
An IBC can be regulated, semi-regulated, or unregulated. Selecting one for your design will depend on the source-voltage regulation and the IBC’s specified input-voltage range. Noting the specified input range of the PoL regulator needs to be considered as well to meet the system accuracy.
The designer has to choose whether to use a first-stage converter (IBC) that’s not regulated, which can greatly improve the efficiency of the converter. However, in this case, the associated variation of the bus voltage at the IBC output will be much higher. This will result in an IBC output that varies directly proportional to the varying input voltage. Having a PoL regulator with a wide input range will make this architecture work with optimized efficiency.
The Regulated IBC1
In 2019, a more common use of the IBC involves the 48 V to the rack in data centers. It’s common to convert 48 V to 12; power density and conversion efficiency are two critical parameters. These are typically fully regulated converter architectures, as the name implies.
The Semi-Regulated IBC
Tom Curatolo explains the semi-regulated IBC very well in his article entitled “Select The Optimal Intermediate Bus Converter.” He says that, “The semi-regulated IBC is also designed to handle a wide input range, but it differs from the regulated IBC since the output is not regulated over the entire range of input voltages. The semi-regulated converter can use a regulating input stage that only operates when the input voltage rises above a certain limit.”
1. Comparing full-load efficiency and power density.1
In Figure 1, note how the isolated semi-regulated IBC, with gallium-nitride (GaN) power transistors, fares in the middle range of the efficiency spec. It’s higher than the isolated regulated IBC and a bit lower than the isolated unregulated IBC with GaN.
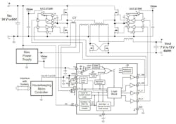
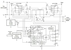
Designers can use IBCs in the form of either power modules that integrate a discrete module design in an enclosure or using a discrete design. The designer will have to choose the best architecture for their application. Figure 2 shows a complete discrete design example.
2. This full-bridge intermediate-bus-converter design architecture uses a UCC 28230 PWM controller. (Courtesy of Texas Instruments)
So, the choice is yours. Pick the IBC architecture that will provide the best performance meeting the needs of your unique system design. Choose wisely, taking into consideration the overall particular project needs in which this power design will be used, and you will have the best cost-effective, optimum performance fit for the complete system architecture.
References
1. “System Optimization of a High Power Density Non-Isolated Intermediate Bus Converter for 48 V Server Applications,” David Reusch, Suvankar Biswas, and Yuanzhe Zhang, IEEE Transactions on Industry Applications, Vol. 55, No. 2, March/April 2019.
2. Switched Capacitor DC-DC Converters: Topologies and Applications, B. Tsang, E. Ng; Berkeley, 2011.
3. UCC28230 advanced PWM controller for bus converters with 5-V precision reference voltage.


