High Current Surge Device Provides SLIC Overvoltage Protection
Bourns, Inc. announced the release of its high current surge devices designed to protect SLICs (Subscriber Line Interface Circuits) against overvoltage conditions on the telephone line caused by lightning, a.c. power contact and induction. The dual programmable Thyristor overvoltage device, designated Bourns® Model TISP61089M, is a high-surge current protector rated at 70 A for a 5/310 surge. It limits voltages that exceed the SLIC supply rail voltage, and is specified to support equipment compliance with transient immunity and Electromagnetic Compatibility (EMC) Bellcore GR-1089-CORE, ITU-T K.21 and K.45 and YD/T-950 standards.
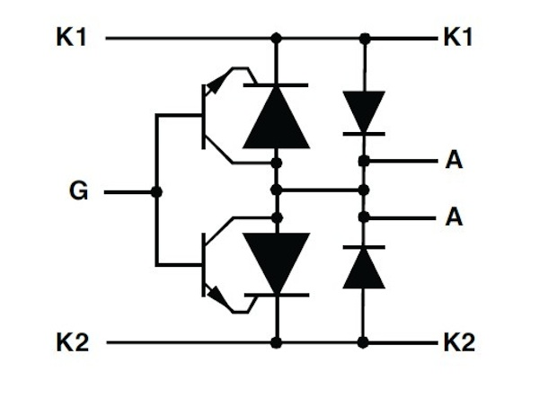
To provide optimum protection during Metallic (Differential) and Longitudinal (Common Mode) surge conditions, Bourns’ latest high current surge device features two negative protection structures and two anti-parallel diodes. For SLIC line driver sections that are typically powered from 0 V (ground) and a negative voltage (from -20 V to -155 V), Bourns’ new overvoltage device supports a negative supply voltage down to -155 V and requires a low gate triggering current of 5 mA maximum. The buffered gate design reduces the loading on the SLIC supply during overvoltages caused by power cross and induction. In addition, Bourns fabricates its monolithic protection devices in ion-implanted planar vertical power structures for high reliability and in normal system operation they are virtually transparent.
The Bourns® Model TISP61089M is available now, and is packaged in a RoHS compliant* 8-SOIC package. As a pricing reference, the new dual programmable Thyristor overvoltage device is priced from $0.80 per 10,000-piece order.

