Monolith Semiconductor to Demonstrate Fast-Switching SiC MOSFETs at APEC 2016

Monolith Semiconductor Inc., a Round Rock, Texas-based start up company developing Silicon Carbide technology, will be demonstrating its fast-switching SiC MOSFETs at (APEC).
March 18, 2016

Monolith Semiconductor, Inc., a Round Rock, Texas-based start-up company developing Silicon Carbide technology, will be demonstrating its fast-switching SiC MOSFETs in its booth (#1655) at this year's Applied Power Electronics Conference (APEC). The conference will run March 20-24, 2016 at the Long Beach Convention & Entertainment Center, Long Beach, Calif. Demonstrations will be offered to booth visitors on a continuous basis.

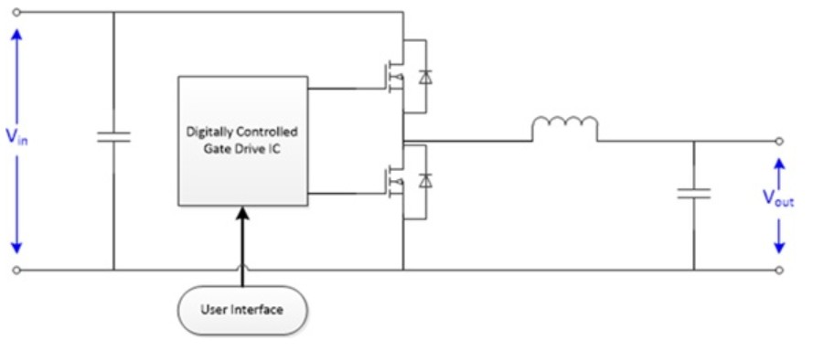
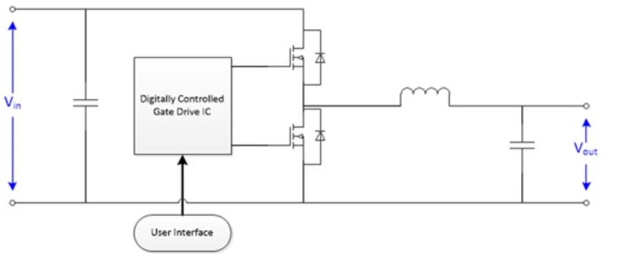
The in-booth demonstration will illustrate the capabilities of Monolith's SiC technology by operating a 5 kW buck converter (as illustrated in the schematic) with 675 V nominal input and 350 V nominal output at high frequencies (~200 kHz) and high efficiency (>98%) converter performance that can't be achieved with Silicon IGBTs. Monolith's cutting-edge SiC technology also allows for drastic reductions in device size and weight (as a result of the higher frequency capabilities) and power consumption (due to reduced power losses) in applications like data center Uninterruptible Power Systems (UPS).

Representatives from Monolith Semiconductor and the designer of the power converter will be on hand to share additional information on the advantages of Monolith's SiC technology and how it can enable higher frequency and higher efficiency power converter applications. 

Looking for parts? Check out SourceESB.

About the Author

Sign up for our eNewsletters
Get the latest news and updates

Voice Your Opinion!

To join the conversation, and become an exclusive member of Electronic Design, create an account today!