Ultra-Low Power Timers Cut Effects of Leakage Currents
A family of ultra-low-power system timers is intended specifically for reducing power during system sleep time. These ICs, called nanotimers, provide various methods for a system to enter a no-power mode, including a simple control signal from a local microcontroller to indicate the start of the off cycle. The system timer then takes care of starting up the circuit after a preprogrammed amount of time.
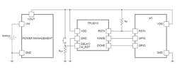
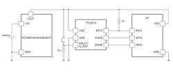
The TPL5010 nanotimer is a low power timer with a watchdog feature ideal for system wake-up in duty-cycled or battery-powered applications. In such systems, the µC timer can be used for system wake-up, but if the timer sleep current is high, up to 60% to 80% of the total system current can be consumed by the µC timer in this sleep mode and as explained later, this phenomena gets worse as IC process technology evolves. Consuming only 35nA, the TPL5010 can replace the functionality of the µC timer and allow the system to be placed in a much lower power mode. Such power savings enable the use of significantly smaller batteries, making it well suited for energy harvesting or wireless sensor applications. The TPL5010 provides selectable timing intervals from 100ms to 7200s and is designed for interrupt-driven applications. Some standards (such as EN50271) require implementation of a watchdog for safety and the TPL5010 realizes this watchdog function at almost no additional power consumption. The TPL5010 is available in a 6-pin SOT23 package.
In battery-powered applications, one design constraint is the need for low current consumption. The TPL5010 is ideal for applications where there is a need to monitor environmental conditions at a fixed time interval. Often in these applications, a watchdog or other internal timer in a μC is used to implement a wakeup function. Using the TPL5010 to implement the watchdog function will consume only tens of nA, significantly improving the power consumption of the system.
For example, the TPL5010 can be used in conjunction with environment sensors to build a low power environment data logger, such as an air quality data logger. In this application, due to the monitored phenomena, the μC and the front end of the sensor spends most of the time in the idle state, waiting for the next logging interval, usually a few hundreds of milliseconds. Figure 1 is a typical application.
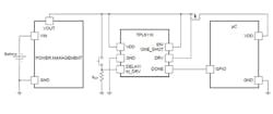
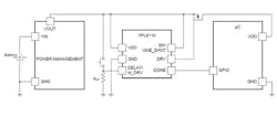
Another nanotimer is the TPL5110, which includes an integrated MOSFET driver, ideal for power gating in battery-powered applications. Consuming only 35nA, the TPL5110 can enable the power supply line and drastically reduce the overall system standby current during the sleep time.
Often, applications employ a watchdog or other internal timer in a μC that is used to implement a wakeup function. Typically, the power consumption of these functions is not optimized. Using the TPL5110 to implement a periodical power gating of the μC or of the entire system will reduce the current consumption to be only tens of nA.
The TPL5110 provides selectable timing intervals from 100ms to 7200s and is designed for power gating applications. In addition, the TPL5110 has a unique one-shot feature where the timer will only power the MOSFET for one cycle. The TPL5110 is available in a 6-pin SOT23 package.
The TPL5110 can be used in environment sensor nodes such as humidity and temperature sensor node. The sensor node has to measure the humidity and the temperature and transmit the data through a low power RF micro such as the TI CC2630 or CC2640. Since the temperature and the humidity in home applications do not change so fast, the measurement and the transmission of the data can be done at very low rate, such as every 30 seconds. The RF micro should spend most of the time counting the elapsed time, but by using the TPL5110 it is possible to completely turn off the RF micro and other circuitry and extend the battery life. The TPL5110 will turn on the RF micro when the programmed time interval elapses or when an external interrupt event takes place such as a switch closure for debug purposes. Figure 2 is a typical application.
These two nanotimers overcome the negative impact of IC transistor feature-widths getting smaller to allow the addition of more functions per IC (Fig. 3). (Feature-width is usually a measurement of transistor channel length.) In reducing transistor designs using lithographic scaling, the inherent current leakage paths of each transistor increase in a non-linear fashion. As a general example, when a CMOS design is scaled from 180 nm to 130 nm, the leakage increases by about double, and from 130 nm to 90 nm the increase is about three times, and from 90 nm to 65 nm the leakage goes up over 10 times. As designs move smaller than 65 nm, the leakage problem gets dramatically worse based on physics beyond the scope of this discussion. Of course, IC designers have discovered ways to improve a transistor’s design for a specific process, which does somewhat reduce these leakage multipliers—yet leakage will continue to increase by a significant amount.
Prior to the nanotimers, designers of low-power ICs had to carefully partition sections of a design to allow partial removal or reduction of power when the device is not in a full operating mode. Although unneeded transistors could be virtually turned off, the partition that remains on will have a higher leakage current than the same basic design using an optimized low-leakage process technology.
Addressing this power problem led to the design of nanotimer ICs on a low-leakage process that turns on/off a companion IC or an entire circuit. The only function of this nanotimer is to keep time and to control system wake-up. This ultra-low-power wake-up timer family allows systems to go into an ultra-low power (10s of nA) sleep-mode while maintaining time.
The dedicated ultra-low power timer, specifically for this function, significantly extends battery life and/or can run on only energy-harvesting techniques to power a circuit. For instance, a sensor system using a low-power system timer can easily run for over 10 years on a single coin cell battery.
Texas Instruments has developed various sensor modules that employ an ultra low-power wake-up timer and show over a 10-year battery life using a single CR2032 coin cell[1,2].
References
- Humidity & Temp Sensor Node for Sub-1GHz Star Networks Enabling 10+ Year Coin Cell Battery Life, TIDA-00484, Texas Instruments, October 2015
- Humidity & Temp Sensor Node for Star Networks Enabling 10+ Year Coin Cell Battery Life, TIDA-00374, Texas Instruments, May 2015
- Download these datasheets: TPL5010, TPL5110, CC2630, CC2640
About the Author
Robert Hanrahan
Sr. Member of Technical Staff
Robert Hanrahan is currently a Sr. Member of Technical Staff at Texas Instruments. He has more than 25 years of experience in digital and analog design, applications engineering, and management. Bob has published numerous application notes and articles in electronics and aviation trade magazines and holds patents in his name. Bob holds a B.Sc. degree and holds an airline transport pilot and flight instructor certificate, as well as an advanced ham radio license. Bob was the founder and currently a board member of a 501C3 charity named Computer Outreach Inc.
Voice Your Opinion!
To join the conversation, and become an exclusive member of Electronic Design, create an account today!

Leaders relevant to this article:



