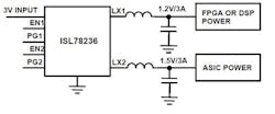
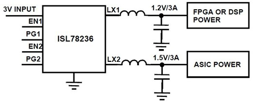
Dual 3A Current Sharing 2.5MHz High Efficiency Synchronous Buck Regulator
Intersil's ISL78236 is a dual output 3A/3A integrated FET buck regulator for point-of-load power applications. The supply voltage range is from 2.8V to 6V, allowing for the use of a single Li+ cell, three NiMH cells or a regulated 3V/5V bus input. It is optimized for regulating output voltages down to 1.2V. Each channel provides an output current up to 3A which can be combined to form a single 6A output in current sharing mode. The two channels operate 180° out-of-phase to reduce input RMS current and EMI.
The ISL78236 integrates a pair of low ON-resistance P-channel and N-channel internal MOSFETs to maximize efficiency and minimize external component count. It can operate up to 100% duty cycle to maximize operating life as battery voltage drops out. When supplying 3A on each channel, the 100% duty cycle operation limits the dropout voltage to less than 250mV. Other features include internal digital soft-start, independent channel enable for power sequencing, overcurrent protection, and thermal shutdown.
The ISL78236 is offered in a 24 Ld 4mmx4mm QFN package with 1mm maximum height. The complete converter occupies less than 1.5cm2 area.
The ISL78236 is AEC Q100 qualified and is rated for the automotive temperature range
(-40°C to +105°C).
Key Features
- Dual 3A/3A independent outputs
- 2.5MHz synchronous buck regulator with internal MOSFETs up to 95% efficiency
- 2% voltage reference accuracy over-temperature
- 6A current sharing mode operation
- Internal or external compensation
- Peak current limiting and hiccup mode short circuit protection
- Reverse overcurrent protection
- Over-temperature protection shutdown
- AEC Q100 qualified

