Switching Converters Combine AC-DC and DC-DC Stages on One Chip
What you’ll learn:
- An interview with one of the InnoMux-2 series' architects gives you an insider's view of the devices' unique architecture.
- How GaN technology enables the converters to combine an AC-DC input stage with multiple DC-DC output stages on a single GaN device.
- How application-specific variants of this series can bring space, cost, and energy savings to a wide range of consumer and industrial applications.
One of the great things about attending the IEEE's APEC 2024 power technology conference was the chance to see some of the newest and most innovative devices actually up and running in real life. During my visit to the Power Integrations booth, it was tough to decide which one of its latest products to feature. Nonetheless, the InnoMux-2 series of power converters won out, thanks to their unique architecture and the improvements in cost and efficiency they can bring to a surprising number of applications.
I had the pleasure of meeting with Han Cui, an engineer involved with the development of the InnoMux-2. She took me on a tour of its unique architecture and some of the applications the converter can be used for (see video above).
Merging Power Stages into One Chip
The InnoMux-2 ICs consolidate AC-DC and downstream DC-DC conversion stages into a single chip, providing up to three independently regulated outputs for use in white goods, industrial systems, displays, and other applications requiring multiple voltages. Efficiency is aided by the ICs’ 750-V PowiGaN gallium-nitride (GaN) transistors, zero-voltage switching (without an active clamp), and synchronous rectification.
Han Cui explained that these devices can deliver up to 90 W of output power with accurate regulation of better than ±3% across the full input line, load, temperature, and differential current step conditions. She also noted that combining the normally separate DC-DC stages onto a single GaN device slashes component count, reduces PCB footprint, and increases efficiency by as much as 10 percentage points, as compared to traditional two-stage architectures.
Features and Specs of the InnoMux-2 Family
The InnoMux-2 family includes the InnoMux 2-EP and the InnoMux 2-BL.
The series also features the IML204DG, a four-channel LED backlight controller intended for high-end computer monitors, and the DER-714, which has one constant voltage and one constant current output, capable of supplying up to 52 W for TVs and other consumer products (Fig. 1).
These devices deliver total power-system efficiencies (AC to regulated low-voltage DC segment) of above 90%. In addition, the InnoMux-2 controller manages light-load power delivery, avoiding the need for pre-load resistors and reducing no-load consumption to less than 30 mW. This conserves power for necessary functionality in applications subject to the 300-mW allowance for standby usage under the European energy-using product (EuP) regulations.
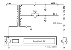
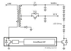
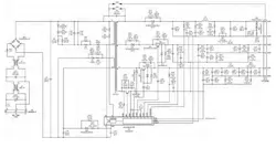
The DER-715 is intended for monitors and other display applications (Fig. 2). It offers one constant-voltage output and four constant-current outputs, and can supply up to 23 W of power.
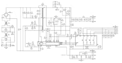
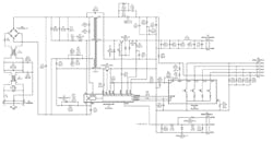
The DER-716 provides three constant-voltage outputs (Fig. 3). The design can deliver up to 62 W for industrial and appliance applications.
Power Integrations said that pricing for InnoMux-2 IMX2174F devices starts at $1.11 for 50,000-unit quantities. If what you've seen in the video stirs your curiosity, you can learn more about the InnoMux-2 at the following links:
- InnoMux-2 introduction video
- InnoMux2-EP family datasheet
- InnoMux2-BL family datasheet
- IML204DG datasheet (four-channel LED backlight controller IC to partner with InnoMux2-BL for computer monitors)
- DER-714: 52-W TV design with one CV and one CC output
- DER-715: 23-W monitor design with one CV and four CC outputs
- DER-716: 62-W industrial and appliance design with three CV outputs.
About the Author
Lee Goldberg
Contributing Editor
Lee Goldberg is a self-identified “Recovering Engineer,” Maker/Hacker, Green-Tech Maven, Aviator, Gadfly, and Geek Dad. He spent the first 18 years of his career helping design microprocessors, embedded systems, renewable energy applications, and the occasional interplanetary spacecraft. After trading his ‘scope and soldering iron for a keyboard and a second career as a tech journalist, he’s spent the next two decades at several print and online engineering publications.
Lee’s current focus is power electronics, especially the technologies involved with energy efficiency, energy management, and renewable energy. This dovetails with his coverage of sustainable technologies and various environmental and social issues within the engineering community that he began in 1996. Lee also covers 3D printers, open-source hardware, and other Maker/Hacker technologies.
Lee holds a BSEE in Electrical Engineering from Thomas Edison College, and participated in a colloquium on technology, society, and the environment at Goddard College’s Institute for Social Ecology. His book, “Green Electronics/Green Bottom Line - A Commonsense Guide To Environmentally Responsible Engineering and Management,” was published by Newnes Press.
Lee, his wife Catherine, and his daughter Anwyn currently reside in the outskirts of Princeton N.J., where they masquerade as a typical suburban family.
Lee also writes the regular PowerBites series.




