This Week in PowerBites: Powering the IoT, Tech for Humanity
>> Electronic Design Resources
.. >> Library: Article Series
.. .. >> Article Series: PowerBites
Smart PMICs Trim Active, Sleep Currents to Extend Life of Battery-Powered IoT Apps
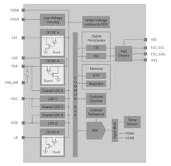
Silicon Labs' EFP01family of energy-friendly power-management ICs (PMICs) provides a flexible, system-level power-management solution enhancing the energy efficiency of battery-powered applications, including IoT sensors, asset tags, smart meters, home and building automation, security, and health and wellness products. These PMICs enable developers to choose the optimal battery type and chemistries for their applications with multiple output rails and voltages. The EFP0 family includes dedicated companion chips for Silicon Labs' ultra-efficient EFR32 wireless devices and EFM32 microcontrollers (MCUs).
Features include:
- Flexible input/output voltage: Accepts input voltages from 0.8 to 5.5 V.
- Flexible use cases: The PMICs support buck or boost voltage modes, as well as combined “boost bootstrap” mode, used for low-voltage, high-current rails in IoT products requiring coin-cell power.
- Multiple output power rails: Enables an entire IoT product to be powered by one PMIC.
- Low quiescent current: With quiescent current as low as 150 nA.
- Coulomb counting: Enables precision battery management for longer life.
Samples and production quantities of EFP01 PMICs in a 3- × 3-mm QFN20 package are available now, with prices starting at $0.55 (USD MSRP) in 10,000-unit quantities. Three development boards are available, too, as well as Simplicity Studio, which offers energy profiler and network analyzer tools, wireless stacks, and reference designs. To order PMIC samples and boards, visit silabs.com/efp01.
PowerBites Says: This announcement is important because much of the IoT's ability to add intelligence to everything from power grids to medical supply chains lies in large networks of low-cost, long-life, battery-powered sensors. Silicon Labs' new products promise to help your application squeeze the maximum life out of whatever coin cell or energy-harvesting system you choose to implement. And while these devices can enhance the service life of any ultra-low-power MCU, do consider their efficient EFR32 wireless devices and EFM32 MCUs, which were originally developed by Gecko before they were acquired by Silicon Labs. Back then, they pioneered several energy-conserving architectural features, including small "sleepwalking" peripherals that carried out routine measurement and monitoring tasks while the rest of the MCU remained in deep sleep.
MANCEF Conference Invites Submissions on Applying Emerging Technologies to Enhancing Quality of Life
The Micro, Nano and Emerging Technologies Commercialization Education Foundation (MANCEF) has selected “Commercialization of Converging Technologies to Enhance Quality of Life” as the theme of its 23rd annual COMS Conference, to be held October 19-22, 2020 at the Conference Center at Universities of Shady Grove in the backdrop of Washington D.C. In light of the recent COVID-19 pandemic, the deadline for the submissions of abstracts has been extended to May 22, 2020.
Presentations that include case actual studies are highly encouraged.
Abstracts of length 150-200 words that address the topics of converging technologies are requested to be received no later than May 22, 2020. These could include case studies in the following areas:
- Autonomous systems
- Digital/additive manufacturing
- Digital healthcare/telemedicine
- Efficient agri/aqua- culture
- Environmental monitoring
- MEMS, energy harvesting and/or sensor-enabled apps
- Information and national security
- Smart city, resilient/sustainable infrastructure to overcome environmental and medical disasters
- Wearables to track fitness, health and location
Beyond combating the direct effects of the pandemic, the conference will explore how adoption of converging technologies can create substantial improvements in many facets of quality of life for individuals, including food and water abundance, reduction of carbon emissions, and affordable healthcare. The significant impact that such technology adoption is having on resilience and sustainability initiatives will also be underscored at the conference.
Notification of abstract selection will be made by June 30, 2020. All selected authors will be provided with a presentation slot in the COMS2020 program and will have their abstract and bios published in a conference book of abstracts. Details regarding conference registration, sponsorship, and exhibit opportunities are available at www.mancef.org/coms2020/
Ultra-Economical Synchronous-Rectification Controllers Come in Space-Saving 6-Pin Packages
STMicroelectronics’ high-efficiency SRK1000A and SRK1000B secondary-side synchronous-rectification (SR) controllers for flyback converters are now available in a more affordable, more compact packaging option that makes them ideal for battery chargers, quick chargers, adapters, and USB power-delivery outlets. Suitable for applications with output voltage up to 19 V, and capable of maintaining regulation down to 2-V output in CCM, the SRK1000A and SRK1000B have a wide supply-voltage range of 4.5 to 32 V, with a drain-source voltage rating of 100 V. The output can sink up to 1 A and source up to 0.6 A to control the gate of the external N-channel synchronous-rectification MOSFET.
Both devices offer an efficient low-power mode at light load, entering a low-consumption sleep mode when synchronous rectification is no longer beneficial. This is managed either by detecting primary-side controller burst-mode operation, or when the SR MOSFET conduction becomes lower than the programmed minimum TON. The device quiescent current in this low consumption mode is only 160 μA.
Each device is able to manage a wide range of flyback controllers, including quasi-resonant (QR) and mixed CCM/DCM fixed-frequency operation up to 300 kHz, simplifying system design. They allow for programmable blanking time after turn-on (TON), via resistor selection, to prevent noise from inducing spurious behavior. The SRK1000A has a 2-μs fixed blanking time after turn-off (TOFF), while the corresponding value for the SRK1000B is 3 μs.
The SRK1000A and SRK1000B are come in a 2.9- × 2.8-mm, 6-pin SOT23-6L package, priced from $0.26 for orders of 1000 pieces.
For more information, visit www.st.com/srk1000a-pr.
Wireless Controllers Target Thread/Zigbee-Enabled Smart-Home + Energy-Management Devices
NXP Semiconductors' K32W061/41family of ultra-low-power, multiprotocol wireless microcontrollers (MCUs) are designed to accelerate the development of wireless smart-home/smart-building applications powered by a single coin cell or other very limited power source. The K32W061 and K32W041 feature an IEEE 802.15.4 radio supporting Thread and Zigbee networking protocols, Bluetooth Low Energy 5.0, and an integrated NFC NTAG (K32W061). The devices also operate in a wide temperature range of −40 to +125℃. These peripherals support a range of use cases that include:
- Home and building automation
- Security and access control
- Smart lighting
- Smart thermostats and locks
- Gateways and sense sensor networks applications
The K32W061/41 wireless MCUs are based on an Arm Cortex-M4 microcontroller core running at 48 MHz and include 640 kB of onboard flash and 152 kB of SRAM, providing storage space and flexibility for complex applications and software over-the-air (OTA) updates. The optional NFC NTAG provides standardized out-of-band communications to dramatically simplify the pairing process.
The multiprotocol radio features an integrated power amplifier capable of up to + 11-dBm output, making long-distance transmission possible. In addition, it supports Bluetooth Low Energy 5.0, Zigbee, and OpenThread wireless-network protocol stacks. Development tools include the NXP IoT Development Kit (IOTZTB-DK006) and a USB dongle (OM15080-K32W) for Bluetooth LE, Thread, and Zigbee networks.
>> Electronic Design Resources
.. >> Library: Article Series
.. .. >> Article Series: PowerBites




