Mechanical Resonator Ups MEMS Vibration-Energy Harvesting by Nearly 100X
What you’ll learn:
- The limitations of basic piezo-based energy harvesting with impulse vibration.
- Applying a mechanical resonator to improve performance.
- The modeling and construction of the two-degree-of-freedom “dynamic magnifier” for enhanced harvesting performance.
Energy harvesting has a lot of the “something for almost nothing” aspect to it, and with good reason. However, it’s often a frustrating challenge to make use of this nearly free energy source so that it provides enough energy to charge a battery or supercapacitor to power the load. It’s especially difficult with “impulse” vibration, where the energy pulse dies out quickly (highly damped) and thus resists capture.
Now, a team of researchers at the Graduate School of Engineering at Osaka Metropolitan University (Japan) has developed a simple yet effective way to leverage the energy from impulse sources such as walking. Their microelectromechanical-system (MEMS) piezoelectric vibration-energy harvester (pVEH) measures only approximately two centimeters in diameter with a U-shaped metal component called a dynamic magnifier (DM). Compared with conventional harvesters, the new harvester allows for an increase of about 90X in the power converted from impulsive vibrations.
Their challenge was to develop a non-resonance type of pVEH that could cope with time-varying and random vibration, which account for most of the vibrations in the real world. The output power of pVEH with a high mechanical quality factor (QM) drops drastically when the frequency of the applied vibration differs slightly from the resonance frequency. Consequently, various approaches have been proposed to overcome this problem.
For instance, a harvester array structure has been developed to cover multiple frequencies by integrating multiple linear pVEHs with different resonance frequencies to broaden the frequency bandwidth.
Using nonlinear vibration effects is another possible approach. Nonlinear springs have been used with magnetic tip masses or bi-stable structures, as well as self-resonant tuning (SRT) that’s adjusted electrically or mechanically using a movable proof mass. However, energy is required to control electrical SRT, and the mechanism of mechanical SRT is complicated.
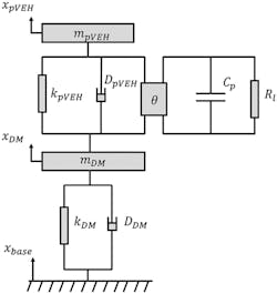
2DOF Vibration System
While these methods are useful for continuous random vibrations, they’re not suitable when the impulsive force is discontinuous, as is often the case. While the output energy can be increased using a large proof mass, this isn’t a good option for MEMS-pVEHs because the MEMS process isn’t suitable for fabricating large devices. Moreover, the thickness of the piezoelectric film required increases as the mass increases due to the scaling laws governing MEMS.
Instead, to enhance the output energy of a MEMS-pVEH driven by an impulsive force, they modeled a two-degree-of-freedom (2DOF) vibration system with overlapping vibration modes and resonances, which should, in principle, greatly enhance the energy recovery and harvesting (Fig. 1).
Based on the results of the modeling, including the degree of coupling of the two vibrational oscillators (2DOF), they built a MEMS device and a dynamic magnifier with suitable dimensions. The two functions were built as separate devices due to the inherently different materials and presses: the piezo MEMS device used Pb(Zr,Ti)O3 and BiFeO3 film, while the DM employed stainless steel to reduce internal friction, which is one of the factors affecting the quality factor QM of the dynamic magnifier.
Furthermore, the DM needed one vibration mode to have transitional motion with the cantilever structure near the resonance frequency of the pVEH, so that it could effectively transfer stored energy to the pVEH. As a result, a U-shaped DM was developed (Fig. 2).
Testing
They tested the arrangement using a vibration generator and accelerometer, and measured the displacement via a laser displacement sensor connected to a lock-in amplifier. The output voltage across the load resistance connected with the MEMS-pVEH was measured using the lock-in amplifier.
Results indicate that the 2DOF-pVEH can improve the output power by nearly two orders of magnitude compared to conventional one-degree-of-freedom (1DOF) versions, for both real-world nonstationary (impulse) vibration as well as harmonic ones (Fig. 3).
Their technical paper “Enhanced performance on piezoelectric MEMS vibration energy harvester by dynamic magnifier under impulsive force” with analysis, data, and details was published in Applied Physics Letters but is behind a paywall; fortunately, an open-source version also is posted here.



