This Week in PowerBites: SiC, Wireless-Power Advances Plus a Dendrite-Resistant Battery
This article is part of the This Week in PowerBites Library Series. Also, check out more of our CES 2023 coverage.
RF Wireless-Power Transmitter for OTA Charging Available as Component or Licensable Technology
Powercast's Ubiquity transmitter has lowered the barrier to entry where RF wireless power can actually become ubiquitous with multiple RF transmitters covering every home. The low-cost transmitter can output up to 1 W (3 W EIRP) to automatically charge multiple RF-enabled devices that come into its charging zone—no charging mats needed. Power-hungry devices charge faster within several feet of the transmitter, while ultra-low-power devices like IoT sensors can charge up to 120 feet.
This wireless power-over-distance architecture is ideal for charging low-power devices with continuous, reliable, background trickle charging. End-device examples include TV remotes, electric toothbrushes, keyboards and mice, game controllers, earbuds, headphones, smart watches, fitness bands, hearing aids, clocks, electric shavers, home-automation devices, etc.
Powercast's over-the-air (OTA) wireless power architecture consists of two elements:
- An RF wireless power transmitter.
- A receiver embedded in end-devices that harvests power from the transmitted RF and converts it into dc(direct current). Both devices can send and receive digital data that has been embedded in the RF power beam.
The Ubiquity transmitter system will be available in several forms, all able to both charge RF-enabled devices and communicate data back and forth with them throughout a home:
- A licensable reference design to integrate just the electronics needed onto their own circuit boards for $5 bill-of-materials cost.
- An easy-to-integrate, drop-in embeddable module contains all of the electronics and hardware needed. All manufacturers need to do is add a power supply and antenna.
On the receiving side, manufacturers can embed Powercast's tiny Powerharvester PCC110 receiver chip and a small antenna into their end-devices for around $1. This low-cost solution enables their products to receive power from either the standalone Ubiquity system, or RF-transmitting products created using the Ubiquity embeddable module or reference design.
The licensable Ubiquity reference design is expected in February 2023. The Ubiquity module and transmitter are slated for June 2023. To learn more, click here.
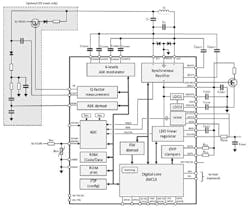
100-W Wireless-Power Receiver Offers Fastest Qi-Compliant Charging
STMicroelectronics' STWLC99 wireless power receiver can deliver up to 100 W, enabling it to recharge even the largest, most power-hungry smartphones in less than 30 minutes. The Qi-compliant charge controller also can be used to accelerate charge cycles for other equipment such as battery-powered industrial tools, medical monitors, medicine pumps, mobile robots, and drones.
Thanks to its energy-efficient architecture comprising a synchronous rectifier with low-RDS(on) MOSFETs and a low-dropout regulator, the STWLC99 directs the received energy to the charging battery with minimal loss and low thermal dissipation.
Compliant with Qi 1.2.4 and 1.3, it supports the Qi Extended Power Profile (EPP) and leverages ST’s specially optimized STSuperCharge (STSC) protocol for fast charging. The battery-charging power reaches up to 100 W when combined with the company’s STWBC2-HP transmitter solution.
The STWLC99 contains non-volatile memory for storing configuration parameters and provides an I2C interface for exchanging configuration data and charging control. A comprehensive set of safety features is built-in, including foreign object detection with accurate current sensing; Q-factor detection in transmit mode; and overcurrent, overvoltage, and thermal protection.
The receiver also is capable of operating as a power-sharing transmitter for charging other devices at rates of up to 25 W.
Housed in a 4.859- × 4.859-mm wafer-level chip-scale package (WLCSP), the STWLC99 is in production now and priced from $2.50.
High-Efficiency 1700-V SiC Devices Eye Energy Infrastructure, Industrial Drive Apps
Several of the latest high-power products in onsemi’s family of SiC devices, recently rebranded as “EliteSiC,” provide reliable, high-efficiency performance for energy infrastructure and industrial drive applications. The new members of the EliteSiC family include the NTH4L028N170M1, which offers higher breakdown voltages (BV) required for high-power industrial applications. And two 1700-V avalanche-rated SiC Schottky diodes (the NDSH25170A and NDSH10170A) allow designers to achieve stable high-voltage operation.
The new devices address the unique requirements of industrial- and grid-scale renewable-energy applications that are moving to higher operating voltages, with solar systems' primary buses shifting from 1100 to 1500 V dc. To support this change, the EliteSiC MOSFET offer a 1700-V BV rating and a maximum Vgs range of −15 V/25 V. This suits them for fast switching applications where gate voltages are increasing to −10 V, delivering increased system reliability.
At a test condition of 1200 V at 40 A, the EliteSiC MOSFET achieves a gate charge (Qg) of 200 nC, which is market-leading compared to equivalent competitive devices that are closer to 300 nC, according to onsemi. A low Qg is critical to achieving high efficiency in fast-switching, high-power renewable-energy applications.
With its 1700-V rating, the EliteSiC Schottky diode devices offer improved margin between the maximum repetitive reverse voltage (VRRM) and the peak repetitive reverse voltage of the diode. The new devices also provide excellent reverse leakage performance with a maximum reverse current (IR) of just 40 µA at 25°C and 100 µA at 175°C, compared to similar devices that are often rated at 100 µA at 25°C.
High-Power Resonant AC-DC Converter Solution Brings Ultra-High Efficiency to Apps Reaching 10 kW
Eggtronic launched a high-performance ac-dc converter technology that provides industry-leading efficiency, reduced component count and improved EMI performance in high-power applications requiring power factor correction (PFC). The technology, known as ClassEgg, was demonstrated for the first time at CES 2023.
Derived from the traditional boost PFC + LLC resonant power converter, ClassEgg is a patented, zero-voltage-switching (ZVS) converter implementation that reduces losses in high-power applications. The unique architecture is based on a proprietary magnetic component while ensuring ZVS operation, reduced EMI, and higher performance than interleaved solutions at the cost of a standard boost PFC.
In addition, ClassEgg offers higher performance and lower component count than standard LLC resonant converters, according to Eggtronic, thanks to a patented rectifier and control algorithm that ensures multiple regulated outputs and high efficiency simultaneously.
The result is a “combo” boost PFC + LLC controller that combines simplicity and low bill of materials with guaranteed efficient operation across a wide variety of input and output voltages. Circuits based on the ClassEgg architecture deliver efficiency between 10% load and full load, suiting it for use in power supplies for TV panels, PCs, servers, and large home appliances as well as power conversion in electric and hybrid vehicles and solar panel inverters.
To learn more about ClassEgg technology, click here.
Digital Power Combination Controller Offers Enhanced Overload Stability and Regulation
The STNRG011A digital power combination controller developed by STMicroelectronics is intended for 90- to 300-W power supplies. It features enhanced overload management that ensures accurate output-voltage regulation when overcurrent protection is active.
Integrating a power-factor-correction (PFC) controller, LLC resonant half-bridge controller, 800-V startup circuitry, and supervisory engine, the STNRG011A will find homes in power adapters, chargers, and television and lighting power supplies. The multimode PFC controller implements performance-enhancing features including input-voltage feedforward, a distortion optimizer, and frequency limitation. The digital supervisory engine has an 8-bit core and dedicated peripherals, with digital algorithms stored in internal ROM to ensure reliability and a minimal bill of materials.
The STNRG011A improves on ST's existing STNRG011 with a new overload-management algorithm that increases the switching frequency when overcurrent protection is triggered. In addition to maintaining output-voltage regulation, this also prevents unwanted shutdown of the power supply.
Additional features include on-chip non-volatile memory for storing configuration parameters and calibration data, which saves external components and allows the device to be customized for specific application requirements. There’s also a 2-pin UART port for monitoring and communication, which simplifies testing and allows for real-time supervision and remote management. PFC and half-bridge protection are built-in, as well as X-capacitor discharge circuitry compliant with IEC 62368-1 that helps minimize standby power.
The STNRG011A is in production now, in a SO20 package, priced from $2.08 for orders of 1,000 pieces.
Configurable Slew-Rate-Controlled Power Switch Simplifies SSD Power-Rail Management
Diodes Inc. recently introduced a new versatile single-channel high-side power switch. The AP22980 features three different selectable slew rates, so that wider capacitance loads can be handled while keeping inrush currents down, ensuring system stability. It’s targeted at the solid-state data-storage systems used in portable electronic equipment, computer hardware, and edge-based data-center deployments.
The N-channel MOSFET, with a built-in charge pump inside the AP22980, has an extremely low RDS(on) of 5.1 mΩ, enabling loads reaching 6 A while minimizing voltage drops and power losses in high-current loading applications. By having a separate VBIAS pin, the minimum input voltage that it’s capable of supporting is significantly lower. As a result, it can cover a wider input voltage range—from 0.285 to 5.5 V—enabling greater application flexibility.
With 60-µA (typical) quiescent supply current, the AP22980 is highly optimized for situations where keeping standby power consumption down is a priority. This device has an operational temperature range of −40 to 105°C. If the junction temperature exceeds 150°C, an overtemperature protection mechanism is triggered.
The AP22980 three-level selectable slew-rate power switches come in compact W-QFN1520 packages that take up little board space and ease integration. They’re priced at $0.27 in 1,000-piece quantities.
Engineers Solve a Mystery on the Path to Smaller, Lighter, Safer Batteries
A discovery by MIT researchers could finally unlock the door to the design of a new kind of rechargeable lithium battery that’s lighter, smaller, and safer than current versions, and that has been pursued by labs around the world for years. The new discovery could overcome one of the basic problems that's prevented solid-state electrolytes and metallic electrodes from enabling safer, more energy-dense, and longer-life batteries.
Researchers have long known that Li-ion cells can be greatly improved by replacing the liquid electrolyte that sits between the positive and negative electrodes with a much thinner, lighter layer of solid ceramic material, and replacing one of the electrodes with solid lithium metal. Although this new architecture has promised to dramatically improve the battery's overall size, weight, and safety, it’s been beset with one big problem: dendrites.
Dendrites, whose name comes from the Latin for branches, are projections of metal that can build up on the lithium surface and penetrate into the solid electrolyte, eventually crossing from one electrode to the other and shorting out the battery cell. Until now, commercialization of solid-state Li-ion batteries has been delayed because researchers can’t agree on what precisely causes the formation of these metal filaments, or make much progress on how to prevent them.
The new research, recently published in a paper by MIT Professor Yet-Ming Chiang, graduate student Cole Fincher, and five others at MIT and Brown University, in the journal Joule,1 seems to resolve the question of what causes dendrite formation. It also proposes several methods for preventing dendrites from crossing through the electrolyte.
Chiang says in the group’s earlier work, they made a “surprising and unexpected” finding: The hard, solid electrolyte material used for a solid-state battery can be penetrated by lithium, which is a very soft metal, during the process of charging and discharging the battery, as ions of lithium move between the two sides.
While, previously, some researchers thought that dendrites formed by a purely electrochemical process, rather than a mechanical one, the team’s experiments demonstrate that it’s mechanical stresses that cause the problem. This led the team to experiment with techniques for directly manipulating the growth of dendrites simply by applying and releasing pressure, causing the dendrites to zig and zag in perfect alignment with the direction of the force.
Applying mechanical stresses to the solid electrolyte doesn’t eliminate the formation of dendrites, but it does control the direction of their growth. This means they can be directed to remain parallel to the two electrodes and prevented from ever crossing to the other side, and thus rendered harmless. The team also explored another approach—the material was “doped” with atoms that would become embedded in it, distorting it and leaving it in a permanently stressed state.
In either case, the amount required isn’t extreme. The experiments showed that pressures of 150 to 200 Mpascals were sufficient to stop the dendrites from crossing the electrolyte.
After successfully demonstrating the basic principles involved, Chiang says the team’s next step will be to try to apply these to the creation of a functional prototype battery. Then they will try to figure out exactly what manufacturing processes would be needed to produce such batteries in quantity.
The research team included Christos Athanasiou and Brian Sheldon at Brown University, and Colin Gilgenbach, Michael Wang, and W. Craig Carter at MIT. The work was supported by the U.S. National Science Foundation, the U.S. Department of Defense, the U.S. Defense Advanced Research Projects Agency, and the U.S. Department of Energy.
Additional information can be found here.
Read more articles in the This Week in PowerBites Library Series. Also, check out more of our CES 2023 coverage.







