Switcher Output Drives LDOs in Ultra-Low-Noise, Ultra-High-PSRR Buck-Regulator Module
So-called “conventional wisdom” sometimes takes a long time to change and recognize new realities. Among the many common beliefs is that switching regulators are relatively “high noise” devices, while low-dropout regulators (LDOs) are inherently low noise. While that’s generally the case, many switcher ICs can provide extremely low-noise performance due to identification of the various noise sources, followed by clever and sophisticated design to minimize each one.
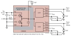
But why be forced to choose between switching and linear step-down (buck) regulators when you can have the best of both? Consider the LTM8080 μModule from Analog Devices: It uses a cascaded arrangement of the two fundamentally different architectures, with a noise-suppressed switching regulator providing a dc rail to a pair of co-located, independently adjustable, linear LDOs (Fig. 1). This 40-VIN, dual 500-mA/single 1-A output device contains a step-down Silent Switcher regulator with an integrated EMI noise shield, followed by the dual high-performance LDOs.
The applications for such low-noise buck performance are diverse. They include power supplies for noise-sensitive RF PLLs, VCOs, mixers, and LNAs; very-low-noise instrumentation; high-speed/high-precision data converters; and medical applications, especially those related to imaging and diagnostics.
The μModule package houses the controllers, power switches, inductors, and support components. Among its other notable characteristics are:
- Ultra-low output RMS noise: below 1 μVRMS (10 Hz to 100 kHz)
- Ultra-low output spot noise: 2nV/√Hz at 10 kHz (Fig. 2)
- Ultra-high power-supply rejection ratio (PSRR): better than 80 dB at 100 kHz
- Wide input-voltage range: 3.5 to 40 V
- Wide output-voltage range: 0 to 8 V
- Dual 500-mA continuous current at TA = 85°
- Selectable switching frequency: 200 kHz to 2.2 MHz via external synchronization pin
Additional features include a built-in voltage-tracking function that automatically sets VBUS to either 2.5 V (nominal) or 1 V higher than VOUT1 (whichever is greater) for superior noise performance and minimization of power dissipation. The modules also can be configured in parallel for lower noise and higher current.
The LTM8080 is supported by a 28-page datasheet with an abundance of performance graphs, data, and application insight. It comes in a thermally enhanced, compact (9 × 6.25 × 3.32 mm) over-molded ball-grid-array (BGA) package.
Designers considering even a “basic” step-down regulator such as the LTM8080 may benefit from availability of an evaluation board/demonstration circuit. The DC3071A fulfills this role and includes a 10-page User’s Manual that details layout, schematic, BOM, some test data, and insightful thermal images (Fig. 3).



