Picoscope debuts waveform analysis and search feature
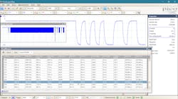
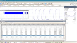
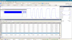
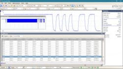
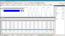
Pico Technology has introduced the DeepMeasure analysis tool. Included as standard with PicoScope 3000, 4000, 5000, and 6000 Series oscilloscopes, DeepMeasure delivers automatic measurement of waveform parameters on up to a million successive waveform cycles. Results can be sorted, analyzed, and correlated with the waveform display.
Oscilloscopes with deep capture memory, such as the PicoScope 3000 Series (512 MS) and 6000 Series (2 GS) can capture waveforms with thousands of waveform cycles, at full sampling speed with each triggered acquisition. DeepMeasure returns a table of results that includes every waveform cycle captured in the memory. Ten waveform parameters are included in the first version of the tool, and over a million results of each parameter can be collected.
The table of captured results can be sorted by each parameter in ascending or descending order, enabling engineering teams to spot anomalies and rapidly identify the cause of complicated issues. So, for example, click on the Rise Time column heading and you can quickly find the fastest (or slowest) rise time out of up to 1 million cycles of the waveform. Double-clicking on a specific measurement highlights the corresponding cycle in the oscilloscope view.
For more extensive analysis, such as histograms and advanced data visualization, the table of measurements can be exported for use with tools such as Excel and MATLAB.
“Visualizing real-world test data is key to solving many of today’s engineering challenges,” explained Trevor Smith, business development manager, test and measurement, at Pico Technology. “DeepMeasure is a powerful tool that takes advantage of PicoScope deep-memory oscilloscopes to enable rapid analysis and debug of complex waveforms ranging from serial data streams to laser pulses and particle-physics experiments. Anomalies can be easily pinpointed and correlated with other events captured by the oscilloscope.”
PicoScope with DeepMeasure is free for users of PicoScope 3000, 4000, 5000, and 6000 Series oscilloscopes. The beta version can be downloaded now from https://www.picotech.com/downloads.
About the Author

Rick Nelson
Contributing Editor
Rick is currently Contributing Technical Editor. He was Executive Editor for EE in 2011-2018. Previously he served on several publications, including EDN and Vision Systems Design, and has received awards for signed editorials from the American Society of Business Publication Editors. He began as a design engineer at General Electric and Litton Industries and earned a BSEE degree from Penn State.
Voice Your Opinion!
To join the conversation, and become an exclusive member of Electronic Design, create an account today!

Leaders relevant to this article:

