Power-Saving A/D Conversion for High-Accuracy Measurements
Members can download this article in PDF format.
What you'll learn:
- What are the benefits of using SAR ADCs over sigma-delta ADCs in low-power sensor apps?
- Combining a SAR ADC with an in-amp provides a more efficient solution.
A typical application in electrical engineering is the recording of physical quantities by sensors and forwarding these quantities to a microcontroller for further processing. Analog-to-digital converters (ADCs) are needed to convert the analog sensor output signals into digital signals. In high-precision applications, either successive-approximation-register (SAR) ADCs or sigma-delta ADCs are used. With low-power applications, every milliwatt that can be saved counts.
Signal Conversion with Sigma-Delta ADCs
Sigma-delta ADCs offer a few advantages over SAR ADCs. For one, they typically have higher resolutions. They also often come integrated with programmable gain amplifiers (PGAs) and general-purpose inputs/outputs (GPIOs). Thus, sigma-delta ADCs are well-suited for DC and low-frequency, high-precision signal-conditioning and measurement applications.
However, due to the high, fixed oversampling rate, a sigma-delta ADC often has a higher power consumption. That, in turn, translates to a lower lifetime in the case of battery-operated applications.
If the input voltage is small—i.e., in the millivolt range—it first must be amplified so that it can be more easily managed by the ADC. A PGA analog front end (AFE) is required to connect a small voltage with a 10-mV output voltage.
For example, to connect small voltages from a bridge circuit to a sigma-delta ADC with a 2.5-V input range, the PGA has to have a gain of 250. This, however, leads to additional noise at the ADC input because the noise voltage is also amplified. The effective resolution of a 24-bit sigma-delta ADC is thereby drastically reduced down to 12 bits. In some circumstances, though, there’s no requirement to use all codes in the ADC and at some point, further amplification no longer provides a dynamic range improvement. Another disadvantage of sigma-delta ADCs is the usually higher costs resulting from their internal complexity.
Benefits of Combining a SAR ADC with an In-Amp
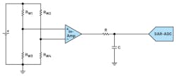
A similarly accurate but more cost-effective and more efficient alternative is to utilize a SAR ADC in combination with an instrumentation amplifier (in-amp) (Fig. 1).
The function of a SAR ADC can be divided into two phases: the data-acquisition phase and the conversion phase. Basically, in the data-acquisition phase, the current consumption is low. Most SAR ADCs even power down between conversions. Therefore, the conversion phase draws the most current. Power consumption depends on the conversion rate and linearly scales with the sample rate.
For power-saving applications with regard to slow-response measurements—that is, measurements in which the measured quantities change slowly (e.g., temperature measurements)—a low conversion rate should be used to keep the current draw, and thus the losses, low. Figure 2 shows the power losses in the AD4003 at various sampling rates as an example. At 1 ksample/s, the power loss is approximately 10 µW; at 1 Msample/s, it has already risen to 10 mW.
In contrast to such slow measurements, sigma-delta ADCs have the strengths of oversampling while using a much higher internal oscillator frequency than the output rate. This enables designers to optimize sampling for higher speeds with worse noise performance or for lower speeds with more filtering, noise shaping (pushing the noise into the frequency band outside the area of measurement interest), and better noise performance.
That, however, means a lot more power consumption with sigma-delta ADCs compared to SAR ADCs. The effective resolution and noise-free resolution of many sigma-delta ADCs are mentioned in their datasheets, making it easy to compare the tradeoffs.
Conclusion
Sigma-delta ADCs combined with PGAs and SAR-ADCs combined with an in-amp are both suitable for signal conversion in high-precision measurement applications. Each solution has a similar accuracy.
For power-saving or battery-operated measurement applications, though, the combination of the SAR ADC and the in-amp is better because it offers lower power consumption and lower costs compared with the solution consisting of the PGA and the sigma-delta ADC. In addition, a PGA with a high gain often limits the performance because the noise is also amplified.
This article just covers one possible solution for a SAR-ADC. More integrated solutions are available, such as a sigma-delta converter like the AD7124-4/AD7124-8 with an integrated PGA.
About the Author
Thomas Brand
Field Applications Engineer, Analog Devices
Thomas Brand began his career at Analog Devices in Munich in October 2015 as part of his master’s thesis. From May 2016 to January 2017, he was part of a trainee program for field applications engineer at Analog Devices. In February 2017, he moved into the role as field applications engineer. Within this role, he is mainly responsible for large industrial customers. Furthermore, he specializes in the subject area of industrial Ethernet and supports appropriate matters in central Europe.
He studied electrical engineering at the University of Cooperative Education in Mosbach before completing his postgraduate studies in international sales with a master’s degree at the University of Applied Sciences in Constance.
Voice Your Opinion!
To join the conversation, and become an exclusive member of Electronic Design, create an account today!

Leaders relevant to this article:


