Ground-Level Translators Drive Seamless Communication Across Domains
Members can download this article in PDF format.
Compact, efficient designs are increasingly employing voltages of less than 100 V for applications ranging from vehicles to robots. These <100-V modular architectures avoid the complexity and potential hazards of high-voltage designs.
However, each subcircuit in a modular design can have its own voltage and ground domain, complicating the transmission of signals across different domains. Fortunately, ground-level translators provide a compact, economical method of transferring high-speed signals from one ground domain to another.
Sponsored Resources
- Uneven grounds? The solution is here.
- Discover TI's novel portfolio of ground-level translators
- Not all grounds are 0V
Ground-Offset Alternatives
Traditionally, engineers have used galvanic isolators or discrete level shifters for such applications, but each has drawbacks. Discrete level shifters can only handle low-speed unidirectional signals and aren’t readily scalable. Galvanic isolators tend to be bulky and slow compared with the ground-level translators (see table).
Galvanic isolators can be useful in obtaining safety certifications in high-voltage systems. But for low-voltage systems, ground-level translators prove to be an effective choice for supporting high data rates with minimal propagation delay.
The translators can resolve ground problems stemming from both DC offsets or AC ground noise. DC offsets may occur due to DC currents flowing through the parasitic resistances of thin printed-circuit-board traces or long cables. They can also occur intentionally when two connected subsystems employ different ground topologies.
Figure 1 shows two systems with a 10-V ground offset between GNDA and GNDB. This offset prevents the two systems from exchanging a 1.8-V signal. However, adding Texas Instruments’ TXG8041 ground-level translator allows the 1.8-V signal to pass, where its voltage referenced to system #1’s GNDA is 11.8 V, and its voltage referenced to system #2’s GNDB is the desired 1.8 V.
Similarly, a ground-level translator can facilitate signal transmission between two systems in the presence of AC noise, which may arise from switching power supplies or high-speed digital signals. Figure 2 shows noise on system #1, which is trying to transmit a 3.3-V pulse signal to system #2, which expects a 1.8-V pulse. The TXG8041 enables the signal to pass without the noise and scaled to the proper 1.8-V level.
Translator Portfolio
TI’s portfolio of ground-level translators can shift signal voltages from 1.71 to 5.5 V over a ±80-V DC offset or in the presence of AC noise up to 140 V p-p at 1 MHz. The TXG8041, used in the circuits in Figures 1 and 2, is a four-bit fixed-direction translator that supports push-pull outputs to enable 250-Mb/s data rates.
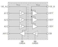
As shown in Figure 3, the TXG8041 has three channels for sending signals from the GNDA to the GNDB domain and one channel in the reverse direction, a 3/1 configuration. The companion four-bit TXG8042 provide two channels in each direction, a 2/2 configuration. Other new members of the portfolio include two-bit automotive-grade, fixed-direction devices with ±10- and ±80-V ratings in 1/1 and 2/0 configurations.
Evaluation Module
To help engineers get started on designs employing ground-level translators, TI offers the TXG-4CH-EVM evaluation module. It operates on two individually configurable 1.71- to 5.5-V power-supply voltage rails, tolerates ground shifts to ±80 V between the rails, and supports data rates to 250 Mb/s.
The four-channel board includes convenient test points and connection pins as well as power-supply bypass capacitors. Figure 4 shows a typical test setup for experimenting with the TXG-4CH-EVM using a signal generator, two power supplies, and an oscilloscope.
Specific Applications for the Translators
Applications that can benefit from ground-level translators range from cordless power tools to semiconductor test systems. For example, a cordless power tool typically includes a battery-management system (BMS) to monitor cell condition and control power delivery, and a low-side FET often connects the negative battery terminal to the battery-pack ground.
When the FET is off, the battery’s negative terminal can drift from the pack ground, potentially interrupting communication between the BMS and the power-tool controller. A ground-level translator helps ensure smooth communication whether the FET is on or off.
Figure 5 shows another example, a semiconductor test system where an FPGA communicates with two data converters that in turn connect to devices under test (DUTs) via a switching matrix. A digital-to-analog converter (DAC) provides stimulus signals to the DUTs, and an analog-to-digital converter (ADC) returns measurements from the DUTs.
As shown by the red sine wave on the lower left of the figure, FPGA switching can induce AC noise on the digital ground, which could compromise data-converter accuracy. A TXG8402 makes it possible for the FPGA and DAC/ADC combination to communicate while isolating the sensitive measurement circuitry from the noise.
The power-tool and test-system examples indicate inadvertent addition of ground offset and noise, but the addition of offset can be intentional. For example, a class D audio amplifier may have a low-voltage controller referenced to a 0-V ground, while a GaN power stage may be referenced to a ground of −50 V to maximize the amplifier output-voltage swing. Ground-level translators can easily compensate for this 50-V intentional offset.
Conclusion
Modular low-voltage systems serve applications ranging from portable power tools to semiconductor test systems, but subcircuits within the modules can experience ground offsets and noise that inhibit module-to-module communications. TI offers a portfolio of compact, low-cost ground-level translators that overcome this limitation, along with evaluation kits that help engineers quickly get low-voltage products to market.
Sponsored Resources
- Uneven grounds? The solution is here.
- Discover TI's novel portfolio of ground-level translators
- Not all grounds are 0V
About the Author

Rick Nelson
Contributing Editor
Rick is currently Contributing Technical Editor. He was Executive Editor for EE in 2011-2018. Previously he served on several publications, including EDN and Vision Systems Design, and has received awards for signed editorials from the American Society of Business Publication Editors. He began as a design engineer at General Electric and Litton Industries and earned a BSEE degree from Penn State.
Voice Your Opinion!
To join the conversation, and become an exclusive member of Electronic Design, create an account today!

Leaders relevant to this article:






