Deluge of Non-EV Automotive ICs Accelerates Forward
This article is part of the TechXchange: Automotive Radar
The “electrification” of automotive powertrains has been garnering lots of attention, along with the components needed for that drivetrain: batteries, battery-management systems (BMS), electric motors, motor controllers, and switching power devices. Sales of electric vehicles—both pure battery EVs and plug-in hybrid EVs—have increased substantially worldwide.
It’s important to maintain perspective, of course: EV sales were a little over 3% of all car sales in the U.S. in 2021, somewhat higher in Europe, and even higher in China (note that unlike some market estimates, car-related data is quite accurate, for obvious reasons) (Fig. 1). The vast bulk of the market is still non-EV.
So, EV or not, the reality is that there’s one trend affecting all vehicles: The rapidly increasing amount of “electronics” going into the car for basic operation, add-ons, and add-ins for functions like advanced driver-assistance systems (ADAS), infotainment, chassis control, and connectivity, to cite a few. These functions provide features such as power accessories, advanced navigation, adaptive shock absorbers, noise cancellation, collision-warning radar…it’s a very long list of visible and non-visible items.
As a result, vendors continue to roll out automotive-specific parts targeting unique functions in the vehicle, as well as non-automotive-specific parts that are nonetheless automotive-qualified. Perhaps not surprisingly, many of these parts are power-related.
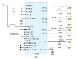
As an example of a recent application-specific part, the Texas Instruments LP87745-Q1 is an AEC-Q100 IC designed to meet the power-management requirements of the AWR and IWR MMICs in various automotive radar applications (it also can be used for industrial cases) (Fig. 2).
It includes three step-down buck converters each rated at 3 A, a 5-V/350-mA boost converter targeting AWR and IWR radar sensors, and a 150-mA/1.8-V (or 3.3 V) LDO. An SPI interface enables control of the device. The step-down dc-dc converters support programmable switching frequencies of 4.4, 8.8, or 17.6 MHz.
The device forces the switching clock into pulse-width-modulation (PWM) mode for optimal RF performance and can be synchronized to an external clock. It supports remote voltage sensing to compensate IR drop between the regulator output and the point-of-load (POL), which improves the accuracy of the output voltage.
A 16-page datasheet provides the needed design specifics for the LP87745-Q1, which is available in a 28-lead VQFN-HR measuring 4.50 × 5.00 mm. (If you’d like to know more about automotive radar performance objectives, TI has an interesting blog post, “What ADAS engineers need to know about the new NCAP requirements for radar” [NCAP is New Car Assessment Program]).
The SN6507-Q1, which targets more-general applications but also meets the AEC-Q100 standard, is a low-emission, high-frequency 36-V push-pull transformer driver for isolated power supplies. It offers the benefits of push-pull topology including simplicity, low EMI, and flux cancellation to prevent transformer saturation (Fig. 3).
Moreover, it enables additional space saving through duty-cycle control, which reduces component count for wide-input ranges. By selecting a high switching frequency, the size of the transformer also is reduced. Typical applications include BMS, on-board chargers, dc-dc converters, and inverter and motor control.
The device integrates a controller and two 0.5-A NMOS power switches that switch out of phase. To deal with inevitable system or component fault situations, the device is protected by overcurrent protection (OCP), adjustable undervoltage lockout (UVLO), overvoltage lockout (OVLO), thermal shutdown (TSD), and break-before-make circuitry.
Further, its programmable soft-start (SS) minimizes inrush currents and provides power-supply sequencing for critical power-up requirements. Spread-spectrum clocking (SSC) and pin-configurable slew-rate control (SRC) further reduce radiated and conducted emissions for ultra-low EMI requirements—an important issue in both automotive and many non-automotive designs.
The SN6507-Q1 is housed in a 3- × 3-mm, 10-pin HVSSOP DGQ package and comes with a 44-page datasheet. Supporting design with the IC is the SN6507DGQEVM Evaluation Module, which contains a small-form-factor transformer, simple rectifier circuit, voltage regulator, and various adjustable options in addition to the SN6507 device (Fig. 4). These combinations provide a complete isolated power-supply system suitable for many applications.
About the Author

Bill Schweber
Contributing Editor
Bill Schweber is an electronics engineer who has written three textbooks on electronic communications systems, as well as hundreds of technical articles, opinion columns, and product features. In past roles, he worked as a technical website manager for multiple topic-specific sites for EE Times, as well as both the Executive Editor and Analog Editor at EDN.
At Analog Devices Inc., Bill was in marketing communications (public relations). As a result, he has been on both sides of the technical PR function, presenting company products, stories, and messages to the media and also as the recipient of these.
Prior to the MarCom role at Analog, Bill was associate editor of their respected technical journal and worked in their product marketing and applications engineering groups. Before those roles, he was at Instron Corp., doing hands-on analog- and power-circuit design and systems integration for materials-testing machine controls.
Bill has an MSEE (Univ. of Mass) and BSEE (Columbia Univ.), is a Registered Professional Engineer, and holds an Advanced Class amateur radio license. He has also planned, written, and presented online courses on a variety of engineering topics, including MOSFET basics, ADC selection, and driving LEDs.




