Precision Shunt-Monitor ICs Meet Automotive Current-Sensing Challenge
What you’ll learn:
- A single-supply, 2.7- ~ 5.5-V, SOT25/SOT26 device from Diodes Inc. features an input common-mode range of up to 26 V.
- Devices are available to sense unidirectional and bidirectional current.
- The devices feature a low offset voltage and drift of typically ±100 μV and 1 µV/°C.
Along with voltage, the continuous, real-time measurement of the magnitude of current flow—usually referred to as “current sensing”—has always been an important factor for assessing and controlling system and circuit dynamics and performance. Unlike voltage sensing, which is generally done by observing the potential difference across a pair of probed points, current sensing often involves breaking into the current path and inserting a small-value sense resistor (also called a shunt resistor, or simply a shunt).
Though there are ways to sense current without such intervention, the shunt technique nonetheless has many virtues. However, it also places unique demands and stresses on the active circuitry that captures the small voltage across the shunt resistor—usually on the order of 100 mV—in the presence of high common-mode voltages and other disturbances.
Furthermore, while the need for current sensing used to be mostly a system-level requirement, many of today’s applications, such as automotive designs, require it at many highly localized positions within disparate individual functions. The process can be simplified with special circuit arrangements called current-shunt monitors, which are offered as standard ICs. These devices sense the voltage across a shunt resistor and amplify it to a more system-friendly value.
Advanced Auto-Qualified Current-Shunt Monitors
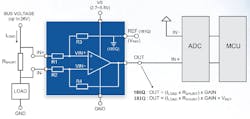
Addressing these needs, Diodes Inc. introduced the ZXCT18xQ series of automotive-compliant, high-precision current-shunt monitors (see figure).
The ZXCT180Q is designed for unidirectional current sensing, providing an output voltage that’s proportional to the load current, featuring four fixed-voltage gain options of 20, 50, 100, and 200 V/V. The otherwise similar ZXCT181Q additionally supports bidirectional current sensing by adding a REF pin to the package.
The devices feature small-signal bandwidths up to 400 kHz, and large-signal slew rates of 2 V/μs. These specifications enable detection of rapid changes in the sensed current for applications that require a quick response to input-current changes. All versions are AEC-Q100 Grade 1 qualified, operate from −40 to +125C, and are housed in SOT25 and SOT26 packages. They feature robust ESD capability (HBM: 5 kV, CDM: 1.5 kV).
Despite the many similarities of these shunt monitors, important design-in differences exist between them. The datasheets for the ZXCT180Q and ZXCT181Q have their own product-specific specifications, including maximum-minimum ratings, graphs and tables, gain settings, applications insight, and packaging details. Both devices are currently in stock and cost less than $0.20 in 1,000-unit quantities.
Also note that non-automotive versions of these shunt monitors are available for less-demanding industrial and commercial applications.
About the Author

Bill Schweber
Contributing Editor
Bill Schweber is an electronics engineer who has written three textbooks on electronic communications systems, as well as hundreds of technical articles, opinion columns, and product features. In past roles, he worked as a technical website manager for multiple topic-specific sites for EE Times, as well as both the Executive Editor and Analog Editor at EDN.
At Analog Devices Inc., Bill was in marketing communications (public relations). As a result, he has been on both sides of the technical PR function, presenting company products, stories, and messages to the media and also as the recipient of these.
Prior to the MarCom role at Analog, Bill was associate editor of their respected technical journal and worked in their product marketing and applications engineering groups. Before those roles, he was at Instron Corp., doing hands-on analog- and power-circuit design and systems integration for materials-testing machine controls.
Bill has an MSEE (Univ. of Mass) and BSEE (Columbia Univ.), is a Registered Professional Engineer, and holds an Advanced Class amateur radio license. He has also planned, written, and presented online courses on a variety of engineering topics, including MOSFET basics, ADC selection, and driving LEDs.
Voice Your Opinion!
To join the conversation, and become an exclusive member of Electronic Design, create an account today!

Leaders relevant to this article:

