Pushbuttons, Digital Potentiometer Create Controllable Voltage Output (.PDF Download)
In some applications, it’s necessary or convenient to control a voltage using a pushbutton switch. With the circuit described in this article, an output up to 20 V can be controlled simply and efficiently with a pushbutton digital potentiometer. The solution represents an adjustable power supply and can be used in various applications where adjustable voltage output is required.
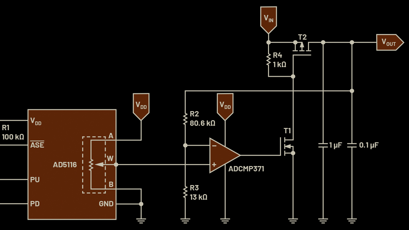
The circuit is based on a switching regulator with variable output power, using the AD5116 digital potentiometer (sometimes called a digiPOT, a digitally controlled potentiometer, or a DCP) and the ADCMP371 comparator with an integrated push-pull output stage. (Note that by adding a switch instead of the pushbutton, the voltage can be adjusted by a microcontroller.) The AD5116 has 64 possible wiper positions with an end-to-end resistance tolerance of ±8% along with an EEPROM to store the wiper position, which can be set manually via a pushbutton. This function is helpful in applications that require a fixed or known position on power-up.
