Best of 2016: Operating Modes Add Flexibility to Temperature-Sensor IC
This file type includes high-resolution graphics and schematics when applicable.
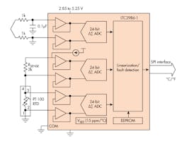
After careful consideration, the latest digital temperature-measurement system from Linear Technology Corp. (LTC), the LTC2986/LTC2986-1 (see figure), stood out as the best in analog for 2016. The LTC2986 temperature sensor is built on the LTC2983 and LTC2984—two successful temperature-measurement systems that had won awards in the past. The chip just keeps getting better with the addition of more features, including three new operating modes.
The LTC2986-1 is the EEPROM version of the LTC2986. On-chip EEPROM stores user-configuration data and custom sensor coefficients, eliminating IC or sensor programming by a host processor.
LTC claims the 10-channel LTC2986 IC can measure temperatures with 0.1°C accuracy and 0.001°C resolution. To ensure resistive measurements are accurate, current reversal eliminates thermocouple effects in the resistive sensor.
The LTC2986 can interface with different types of temperature sensors, including type B, E, J, K, N, S, R, and T thermocouples; 2-, 3-, or 4-wire resistance temperature detectors (RTDs); 2.25- to 30-k⦠thermistors; and temperature-sensing diodes. The IC includes all active circuitry, switches, measurement algorithms, and mathematical conversions to determine the temperature for each sensor type. For example, in the case of thermocouples, the IC has high-order polynomial equations built in for all types of thermocouples to convert the voltage output from the sensors into a temperature result.
The new operating modes provide better support for external overvoltage-protection resistors that are shared between multiple sensor types, powered temperature sensors with analog outputs, and non-temperature-related sensors like pressure and other voltage-output sensors.
The company offers several tools to design engineers who would like to start new projects using the new temperature-measurement-system IC. For instance, the DC2531 demo manual is a starter kit for demonstrating the LTC2986’s performance. Also sensor demonstration boards are available for universal temperature measurement, thermocouple, dedicated RTD, and dedicated thermistors.
The SPI interface works with multiple digital systems. In addition, a comprehensive software support system with drop-down menus makes it possible to customize the LTC2986. Overall, the demo software can help program and run the LTC2986: It’s able to configure the LTC2986, check and save the configuration, run the device, output the results into a file, and even create Linduino One-ready C code based on the configuration.
The LTC2986 supports operating temperature ranges from 0° to 70°C, –40° to 85°C, and –40° to 125°C. The RoHS-compliant device comes in a 7- x 7-mm LQFP-48 package. Pricing starts at $16.56 each in 1,000-piece quantities.
About the Author
Maria Guerra
Power/Analog Editor
Maria Guerra is the Power/Analog Editor for Electronic Design. She is an Electrical Engineer with an MSEE from NYU Tandon School of Engineering. She has a very solid engineering background and extensive experience with technical documentation and writing. Before joining Electronic Design, she was an Electrical Engineer for Kellogg, Brown & Root Ltd (London. U.K.). During her years in the Oil and Gas Industry she was involved in a range of projects for both offshore and onshore designs. Her technical and soft skills bring a practical, hands-on approach to the Electronic Design team.
Voice Your Opinion!
To join the conversation, and become an exclusive member of Electronic Design, create an account today!

Leaders relevant to this article:



