Artist Graphics GPX: Too Little Too Late
Series: The Graphics Chip Chronicles
Artist Graphics founded 1979 by Horace and Robert Beale, in Minneapolis released their first add-in board, the Artist 1 in November of 1982, based on an NEC 7220 and sporting a gigantic 1024 × 768 resolution.
The traditional semiconductor suppliers like Hitachi, NEC, and Texas Instruments were not keeping up with the demands of the graphics industry, and the graphics board companies wanted more of the profit from the graphics boards.
As the computer graphics board industry shifted from commodity graphics chips to proprietary graphics chips, Artist graphics developed their own graphics chip, the GPX, in late 1992 for their Xj1000 add-in board. Explicitly designed for accelerating CAD software and display manipulations it accelerated wireframe rotations and object shadings due to the Xj1000’s Z-buffer support and onboard rendering engine.
The GPX processor could produce between 1.1 million and 625,000 2-D vectors per second (10 pixels long), 240,000 3-D vectors per second, and 16,000 shaded polygons per second (100 pixel 3-D shaded triangles) and offered 1280 × 1024 resolution with 8-bit color, and at 800 × 600, it offered 24-bit true-color. The AIB had 2 Mbytes of VRAM and a 72-pin SIMM socket for DRAM expansion which could hold up to 8 Mbytes of 80S DRAM used for Z-buffering and for display list storage. There was also an onboard C&T CT450 VGA controller with its own 512 Kbytes of DRAM. The Xj1000 sold for $1,495, in 2019 that would be equal to more than $2,700 in 2019.
The chip was a technical success, but the company couldn’t generate enough volume to offset the costs of development. However, in 1995 Artist Graphics tried again with their 3GA chip.
Artist Graphics Rolls Out 3GA Graphics Accelerator
Shown in public for the first time at the Design Engineering conference in Chicago in March 1995, Artist Graphics revealed their new 3-D accelerator chip, the 3GA. It was a VRAM-based 64-bit controller with an AVGA core and management for a 16-bit Z-buffer. It supported dithering and Gouraud shading as well as texture mapping and six arithmetic operations. The AVGA could support 8-,16-, and 32- bit pixels, had a fast BLT engine, eight stencil modes, an 8 x 8 color expansion capability, and rectangular and arbitrary region clipping.
The chip supported 4 Mbytes of VRAM for resolutions up to 2048 × 2048 and refresh rates up to 90 Hz at 1600 × 1200, as well as up to 8 Mbytes of DRAM. There was a 128-byte host FIFO, a direct 32-bit VL, a PCI, and 16-bit ISA interface. The 50 MHz part used a 240-pin PQFP package.
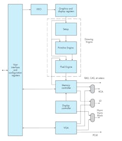
The chip had a FIFO a write buffer for drawing-engine commands that decoupled the CPU-host interface from the 3GA drawing engine. It contained 32 longword (32 bits) entries. The FIFO managed all pipeline issues with the drawing engine and would not overwrite a register if in use.
Graphics and display registers controlled most of the 3GA enhanced mode operations. They consisted of display control, frame buffer base addresses and pitches, coordinates, primitive, and interpolation registers.
The memory controller serviced requests from the display controller, host interface, and the pixel engine. It generated all the VRAM/DRAM control signals as well as the local device cycles needed to access the BIOS, ROM, DAC, and clock generator.
The AIB exhibited excellent performance, based on 8 bits/pixel, 10-pixel lines, 50-pixel triangles using a 90 MHz Pentium with PCI. In first trials the chip exceeded its forecasts. The AIB came with 2 Mbytes of VRAM for an SRP of $395 (around $725 in 2019).
Too Little Too Late
As good as the design was, and it was very good, the development cost was so high, and the sales volume so low, combined with new commodity suppliers like ATI and Nvidia who were moving faster with superior products, the company just couldn’t compete, and in 1996, 16 years after it started, Artist Graphics folded.
About the Author

Jon Peddie
President
Dr. Jon Peddie heads up Tiburon, Calif.-based Jon Peddie Research. Peddie lectures at numerous conferences on topics pertaining to graphics technology and the emerging trends in digital media technology. He is the former president of Siggraph Pioneers, and is also the author of several books. Peddie was recently honored by the CAD Society with a lifetime achievement award. Peddie is a senior and lifetime member of IEEE (joined in 1963), and a former chair of the IEEE Super Computer Committee. Contact him at [email protected].



