Basic Logic Functions are Still Needed – Even in Cars
What you’ll learn:
- Why single-gate logic functions still have a role to play.
- Where these ICs are used in automotive applications.
Talking about the need for basic logic-gate ICs seems like a story from yesteryear’s “Introduction to Boolean Logic” student guide. With today’s high level of integration, application-focused ICs, and programmable everything and anything, calling out for a single AND or NOT (inverter) gate might seem like a foolish, “back to the future” request.
Apparently, the marketing and engineering principals at Texas Instruments don’t think so, as they’ve released two single-gate ICs with those logic functions to extend their “Little Logic” family. Perhaps even more unexpected is that their target market is automotive applications, thus requiring AEC-Q100 qualification (device temperature grade 1: −40 to +125°C).
Note that these ICs aren’t intended for the 1980s role of “glue logic,” tying together disparate larger ICs having different logic levels or I/O and providing needed translation and compatibility.
Two-Input Positive-AND Gate
The SN74LVC1G08B-Q1 is a single two-input positive-AND gate in a five-pin package measuring just 1.1 × 0.85 mm (don’t drop these on the floor when prototyping!) with an operating range from 1.1 to 5.5 V. This device maintains standard CMOS inputs and balanced CMOS push-pull outputs rated for ±32-mA sink and source currents. Internal protection including diodes is standard.
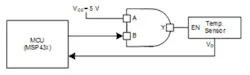
What role would this simple function have in a sophisticated application such as automotive electronics? The datasheet notes that one application for this AND gate is power sequencing, a function often needed to protect a processor (or other complex device) in cases where tight voltage requirements may cause malfunctioning due to Vcc being not “quite right” yet (Fig. 1).
The SN74LVC1G08B-Q1 can be used to verify that the power rail has fully turned on. While some power-management ICs (PMICs) incorporate sequencing, adding a PMIC just for this purpose is more costly and complex than an AND-gate solution.
Do not be misled by the functional simplicity of this gate: Its 21-page datasheet contains a plethora of maximum, typical, and other specifications as well as timing details. Also included are relevant guidelines on treatment of the inputs and outputs to avoid noise-induced problems, as well as considerations related to bus contention, switching transients, and more (even a standalone gate has its subtleties).
Single-Channel Unbuffered CMOS Inverter
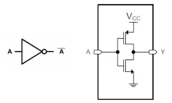
An even simpler yet still intriguing logic function is provided by the SN74LVC1GU04-Q1, a single-channel unbuffered CMOS inverter (Fig. 2). Operating range is from 1.65 to 5.5 V for this five-pin, 2- × 2.1-mm device (overall package size, including pins) with 5.5-V tolerant input pins. It’s a digital logic element, of course, but its CMOS inverter stage can operate in both in standard digital-switching applications as well as in the analog linear region.
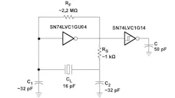
While primarily specified for digital operation, the unbuffered architecture also supports potential analog applications such as crystal-oscillator circuits or linear amplification (Fig. 3). The unbuffered inverter is commonly used in oscillator circuits because it’s less sensitive to parameter changes in the oscillator circuit due to having lower total gain than the equivalent buffered inverter.1
Reference
Texas Instruments, Application Report SZZA043, “Use of the CMOS Unbuffered Inverter in Oscillator Circuits.”
About the Author

Bill Schweber
Contributing Editor
Bill Schweber is an electronics engineer who has written three textbooks on electronic communications systems, as well as hundreds of technical articles, opinion columns, and product features. In past roles, he worked as a technical website manager for multiple topic-specific sites for EE Times, as well as both the Executive Editor and Analog Editor at EDN.
At Analog Devices Inc., Bill was in marketing communications (public relations). As a result, he has been on both sides of the technical PR function, presenting company products, stories, and messages to the media and also as the recipient of these.
Prior to the MarCom role at Analog, Bill was associate editor of their respected technical journal and worked in their product marketing and applications engineering groups. Before those roles, he was at Instron Corp., doing hands-on analog- and power-circuit design and systems integration for materials-testing machine controls.
Bill has an MSEE (Univ. of Mass) and BSEE (Columbia Univ.), is a Registered Professional Engineer, and holds an Advanced Class amateur radio license. He has also planned, written, and presented online courses on a variety of engineering topics, including MOSFET basics, ADC selection, and driving LEDs.



