LDO Features Consistent Iq Across Load-Current Range
This article is in the TechXchange: Why Low Iq is the Smart Thing to Do.
You have to feel a little bit of empathy for low-dropout regulators (LDOs). On one side, they don’t get a lot of respect, since they’re much less efficient than switching dc-dc regulators. On the other, they’re inherently less noisy than those switchers (although some very-low-noise switchers are available) and for applications under 1 A and certainly under 500 mA, the LDO can be nearly as efficient from a total system perspective.
Due to their reputation, I was wondering how many LDOs are sold each year. Numbers are hard to come by—I found over a dozen research firms offering LDO market reports typically running 100+ pages and retailing for about $4,000.
I obviously wasn’t going to spend that kind of money to find the answer, but I did find a market-report press release from MarketWatch that teased “the LDO market is projected to reach USD 891.4 million by 2028 from an estimated USD 704.1 million in 2022, at a CAGR [compound annual growth rate] of 4.0 percent during 2023 and 2028.” Since many LDOs sell for under a dollar, that implies at least a billion annual units, and likely twice that figure or more.
The reality is that despite the efficiency consideration, LDOs offer many performance and design-in virtues. As a result, lots of LDOs get used every year in both older and new designs, as they do solve the regulator issue with minimal hassle in so many cases. That demand, along with improvements in LDO topology and process technology, is why vendors keep introducing new ones.
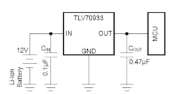
An example is the TLV709 from Texas Instruments, a 2.5- to 30-V input, 150-mA output LDO that draws just 3.2 µA of quiescent current (Iq) at full load (Fig. 1). It’s offered in two output-voltage options: fixed output of 1.2 to 5 V, or resistor-adjustable from 1.2 to 28 V. The TLV709 supports a low dropout of typically 600 mV at 100-mA load current and is stable with an output capacitor above 0.47 µF.
Another interesting feature is that its low quiescent current is constant across the entire range of output load current, thus simplifying power budgeting, especially for battery-based devices. (Fig. 2).
In addition, the TLV709 features an internal soft-start to lower the inrush current during startup. The built-in overcurrent-limit protection helps protect the regulator in the event of a load short or fault condition.
You might think that a product as functionally simple as an LDO would have a datasheet running only a few pages long. However, that would be incomplete information for applications where the difference between successful versus marginal versus substandard results is in the details of its performance across a wide range of conditions. To this end, the TLV709 comes with a 25-page datasheet (PDF) that provides graphs and tables clarifying thermal and electrical characteristics along with best design practices, suggested layout, and even power-supply considerations.
Various packaging options are available as well. The TLV709 is specified over −40 to +125°C junction-temperature range and comes in a barely visible 2.90- × 1.60-mm, 5-pin SOT-23 package for the fixed- and adjustable-output versions, and a 4.50- × 2.5-mm, 4-pin SOT-89 package for the fixed-output version.
Read more articles in the TechXchange: Why Low Iq is the Smart Thing to Do.
About the Author

Bill Schweber
Contributing Editor
Bill Schweber is an electronics engineer who has written three textbooks on electronic communications systems, as well as hundreds of technical articles, opinion columns, and product features. In past roles, he worked as a technical website manager for multiple topic-specific sites for EE Times, as well as both the Executive Editor and Analog Editor at EDN.
At Analog Devices Inc., Bill was in marketing communications (public relations). As a result, he has been on both sides of the technical PR function, presenting company products, stories, and messages to the media and also as the recipient of these.
Prior to the MarCom role at Analog, Bill was associate editor of their respected technical journal and worked in their product marketing and applications engineering groups. Before those roles, he was at Instron Corp., doing hands-on analog- and power-circuit design and systems integration for materials-testing machine controls.
Bill has an MSEE (Univ. of Mass) and BSEE (Columbia Univ.), is a Registered Professional Engineer, and holds an Advanced Class amateur radio license. He has also planned, written, and presented online courses on a variety of engineering topics, including MOSFET basics, ADC selection, and driving LEDs.
Voice Your Opinion!
To join the conversation, and become an exclusive member of Electronic Design, create an account today!

Leaders relevant to this article:


