Power-Density Goals Can be Helped by Soft-Switching Options
Soft switching (also known as resonant switching) is a technique used in power electronics to reduce switching losses and electromagnetic stress on components — and it plays a major role in enabling higher circuit density.
In conventional hard switching, power devices like MOSFETs or IGBTs turn on or off while both voltage and current are present across them. This creates high switching losses (since power = voltage × current during transition) and strong electromagnetic interference (EMI).
Soft switching instead ensures that either:
- Voltage is nearly zero when the device turns on (zero-voltage switching, ZVS), or
- Current is nearly zero when the device turns off (zero-current switching, ZCS).
This is generally achieved by adding resonant elements (inductors or capacitors) that shape voltage or current waveforms during transitions.
At each switching transition:
- The circuit briefly enters a resonant interval where energy oscillates between L and C.
- The voltage (for ZVS) or current (for ZCS) crosses zero naturally before the next switch event.
- The transistor then switches with minimal overlap between voltage and current, drastically reducing energy loss.
>>Download the PDF of this article
Soft switching directly supports higher power density (more watts per unit volume) in several ways:
- Reduced heat generation: Lower switching losses mean less heat to dissipate. This allows for smaller heatsinks and more compact layouts.
- Higher switching frequency: With less switching loss, the converter can operate at much higher frequencies — often hundreds of kHz or even MHz for gallium-nitride (GaN) or silicon-carbide (SiC) devices. Higher frequency means smaller inductors, transformers, and capacitors, which in turn leads to smaller, lighter converters.
- Improved efficiency: More of the input power is delivered to the load instead of wasted as heat, allowing for denser integration and smaller thermal paths.
- Reduced EMI and stress: Smooth transitions lower radiated noise and device stress, improving reliability and enabling tighter component packing without interference issues.
What’s an Example of Soft Switching that Leads to Improved Density?
In a resonant LLC converter, soft switching lets designers push frequencies beyond 500 kHz with >97% efficiency using compact magnetics and GaN switches — ideal for dense EV chargers or data center power modules.
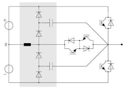
Another example is a hard-switching three-level inverter with a T-type topology supplemented by a snubber circuit consisting of several passive components. This circuit arrangement (see figure) prevents the occurrence of simultaneously high voltage and current. All switching processes take place in a "soft" manner, largely avoiding switching losses.
In general, soft switching improves circuit density by dramatically increasing a power converter's switching frequency. It thus enables a reduction in the size of large, bulky passive components like inductors, capacitors, and transformers. By minimizing switching losses, soft switching removes the main obstacle to operating at very high frequencies, making it possible for designers to build smaller, more compact circuits.
Ideas for Designing a Soft Switch
As noted, designing a soft switch involves shaping the voltage and current transitions so that switching devices (MOSFETs, IGBTs, GaN, or SiC transistors) turn on or off under zero-voltage (ZVS) or zero-current (ZCS) conditions. This minimizes switching losses, EMI, and thermal stress — leading to high efficiency and high power density.
Establish the switching mode: Decide early whether the design will use ZVS or ZCS:
- ZVS is common in high-frequency, voltage-fed converters such as resonant LLC or phase-shift full-bridge topologies.
- ZCS is often used in current-fed circuits or applications prioritizing reduced diode recovery losses.
The choice depends on your load type, input voltage range, and switching device characteristics.
Soft switching relies on a resonant network—typically a combination of inductance (Lr) and capacitance (Cr)—that shapes the current or voltage waveform:
- The resonant frequency sets the timing for zero crossing.
- Operating slightly below resonance promotes ZVS; operating above supports ZCS.
Select Lr and Cr such that the circuit’s natural oscillation helps discharge device capacitances (for ZVS) or shape current decay (for ZCS) before switching transitions.
Choosing the Right Inductors and Capacitors
For inductors, use low-loss magnetic cores (ferrite, powdered iron, or nanocrystalline) with high saturation current capability. Keep core and copper losses minimal through proper winding geometry (Litz wire, foil, or planar coils). Target high Q-factor (quality factor) to reduce parasitic damping.
For capacitors choose low ESR and low ESL types — often film or ceramic capacitors rated for high ripple current. In resonant converters, the capacitor’s tolerance and temperature stability directly affect switching timing. COSS (output capacitance) of transistors can also be leveraged for soft switching if properly modeled.
What are Some Other Design Ideas?
Fast-switching, low-charge devices — GaN or SiC FETs — will generally outperform silicon at high frequencies. Try to optimize dead time between device transitions. If the intervals are too short, it can lead to overlap losses. If intervals are long, that can risk losing soft-switching conditions. Consider including snubbers or active clamps to absorb parasitic energy and enhance reliability.
When assessing reliability and quality factors, be sure to account for component tolerances, temperature drift, and long-term aging (especially of capacitors).
Derate: Operate components at 70% to 80% of voltage/current limits and validate with thermal modeling and stress testing because soft-switch circuits are efficient but can be sensitive to timing drift.
Additional suggestions include using SPICE or LTspice simulations to tune Lr and Cr values. Consider incorporating synchronous rectifiers to reduce conduction losses. Ensure PCB layout minimizes parasitic inductance, especially in gate and power loops, and validate soft-switching range under full load, partial load, and transient conditions.
Examples of Commercially Available Soft-Switching Solutions
Several manufacturers offer integrated or modular soft-switching solutions that simplify implementation, including:
- Texas Instruments: UCC25600 / UCC256404 / UCC25661 (resonant LLC controller)
- Infineon: ICE2HS01G / XDP digital controller (half-bridge LLC / resonant-control IC)
- STMicroelectronics: L6599 / L6599A (resonant-mode controller)
- Microchip: MCP19124/25 digital PWM controller with soft-switch support (digital PWM controller with soft-switch support)
- Navitas: GaNFast integrated power ICs (GaN-based soft-switching FETs)
- EPC (Efficient Power Conversion) (GaN transistors for resonant converters)
- Transphorm: TPH Series SiC/GaN FETs (wide-bandgap devices for resonant topologies)
References
>>Download the PDF of this article
About the Author

Alan Earls
Contributing Editor
Voice Your Opinion!
To join the conversation, and become an exclusive member of Electronic Design, create an account today!

Leaders relevant to this article:


