Providing Reliable Power for Tiny Industrial Sensors
It’s not unusual to find industrial automation control equipment like field sensors (for proximity, pressure, flow, or temperature, for example) housed in increasingly inconspicuous packages. For instance, like the proximity sensor housed in a tiny screw, which can be as small as 8 mm or even smaller (Fig. 1). While the electronics that go into the housing obviously must be ultra-small, they still need to be properly rated to ensure long-term equipment reliability and address issues such as challenges of unregulated input voltages.
These smart sensors may include a substantial amount of electronics, including a low-power microprocessor, analog-to-digital conversion with associated signal-processing circuitry, and a voltage regulator. Since designers may not consider power until the end of the design process, the space allotted to power can be quite minimal. A typical objective for power-conversion circuitry might be downconverting a 24-V input and regulating it to the required voltage rail. The 24-V input might be from a standard industrial bus, which could have an input voltage ranging from as low as 8 V to as high as 36 V.
Furthermore, sensors in process automation need to withstand overvoltage transients, and the severity of these transients depends on how the 24 V was derived. In situations where the lead lengths stretch over relatively long distances in the field, the industrial 24-V bus may experience higher voltage transients. In addition, field applications could have clamp circuits that limit the voltage transient to a safe extra-low voltage limit. As a result, the output of the industrial bus could be stuck at 60 V dc in a short-circuit situation.
In another case, the input source could be 24 V ac and the maximum root-mean-square (rms) voltage of such a supply can often swing to 28 V for a delivered peak voltage that’s close to 40 V. The overvoltage protection setting on the input supply could be about 120% of the peak voltage, which takes an input voltage close to 48 V. Therefore, it’s important to use a voltage regulator that’s rated for the maximum dc voltage at the input to ensure uninterrupted operation of equipment like field sensors, and ensuring appropriate pin spacing for long-term reliability.
Consider the TPSM265R1, a high-voltage embedded power module rated for 65 V that integrates the voltage regulator and inductor. This rating gives the device enough margin to cover potential overvoltage conditions. However, just because a power module has an integrated high-voltage regulator doesn’t mean that you can safely rate it for the high voltage.
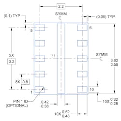
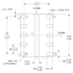
To properly rate the device for a higher input voltage requires appropriate design of the pad/pin spacing on the module, as detailed in standard IPC 2221-B from the The Association Connecting Electronics Industries. This standard lists the minimum spacing between the edges of conductors that’s required to ensure proper operation at worst-case voltages. To ensure that the regulator can indeed sustain a peak voltage of 65 V, the spacing between the edges of the conductors must be at least 0.5 mm. Figure 2 shows the 0.8-mm pin pitch of the TPSM265R1; the width of the pad is typically 0.3 mm. From edge to edge, the space between the pads is 0.5 mm, in compliance with the IPC-2221B requirement.
Meeting the Requirement for a Small Solution Size
IPC spacing requirements put system designers at odds with the requirement for miniaturization. After all, this article began with the need to fit the requisite electronics into an 8-mm screw. To address both spacing requirements and miniaturization requirements, designers must be smart about designing the power module. The layout of the TPSM265R1 package is designed with a small-solution space in mind. Figure 3 shows an example layout, with the minimum required components for a fixed-voltage option of 3.3 V or 5 V.
The module package size is 2.8 × 3.7 mm and only needs two capacitors to complete the circuit. Using 0805-size capacitors, the overall solution size for a 5- or 3.3-V output can be as small as 3 × 7 mm. Placing the input capacitor so close to the module’s VIN and GND pins makes for a “quiet” switching operation, with less ringing on the switch node.
When designing the power supply for small industrial automation control equipment, it’s important to choose products with appropriate ratings for a reliable operation. Well-designed power modules will not only help engineers address size challenges and ensure long-term reliability, but they can also help simplify the design process.
Akshay Mehta is a Systems and Applications engineer in the SIMPLE SWITCHER group at Texas Instruments.
About the Author
Akshay Mehta
Systems and Applications Engineer
Akshay Mehta is a systems and applications engineer with Texas Instruments’ SIMPLE SWITCHER product group, where he is responsible for product definition and development, bench validation, and customer support. Akshay received a master’s degree in electrical engineering from the University of Texas at Arlington.
Voice Your Opinion!
To join the conversation, and become an exclusive member of Electronic Design, create an account today!

Leaders relevant to this article:



