EMA enhances OrCAD Capture Cloud with 14-million-part Ultra Librarian database
Rochester, NY. EMA Design Automation, a full-service provider and innovator of electronic design automation (EDA) solutions, today announced an integration of OrCAD Capture Cloud with Ultra Librarian, providing electronics engineers with a cloud-based design tool that is fully scalable to a professional, production-ready printed-circuit-board (PCB) design solution.
“Existing online design tools either lock users into a specific PCB manufacturer or don’t scale to a production-ready design process,” said Manny Marcano, president and CEO of EMA. “Integrating OrCAD Capture Cloud and Ultra Librarian provides designers with a cloud-based OrCAD Capture schematic-entry tool and a comprehensive library of symbols, footprints, and 3D models that works with a proven PCB design suite for high-quality results.”
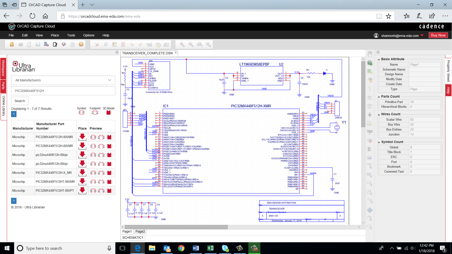
OrCAD Capture Cloud is a free, web-based subset of the OrCAD Capture schematic-design tool from Cadence. The tool is accessed through a web browser and allows users to store their designs privately in the cloud. Users who already have the desktop version of OrCAD Capture will have both upload and download capabilities, giving them the ability to work in the cloud or on the desktop. “Designers aren’t always at their desk, so they may not have access to their work computer,” said Marcano. “With OrCAD Capture Cloud, designers can access their designs anywhere and on almost any computer, including Linux and Mac computers.”
Adding Ultra Librarian to OrCAD Capture Cloud solves the typical library problem by including direct access to the Ultra Librarian online library of over 14 million components. This gives designers drag-and-drop capabilities from the largest ECAD library in the industry. From within the OrCAD Capture Cloud environment, a user can search for parts, preview various results, and then place the schematic symbol directly onto a schematic page. The placed symbol’s properties include the appropriate footprint name, so that later work with OrCAD PCB Editor on the desktop has the correct information for placement and routing. This use of prebuilt and validated library parts will both reduce errors and accelerate the design process.
“People using free tools typically have translation failures when the time comes to move to a professional level toolset,” added Marcano. “OrCAD Capture Cloud extends OrCAD’s desktop scalability to provide a seamless solution, eliminating this problem, while also adding more capabilities for professional level designers.”
About the Author
RN (editor)
Voice Your Opinion!
To join the conversation, and become an exclusive member of Electronic Design, create an account today!

Leaders relevant to this article:

