Evaluate Power Device Efficiency with Double-Pulse Testing Using an AFG
Download this article in PDF format.
Switching losses are inevitable in any power device. But these losses can be minimized through optimization and rigorous measurement of design parameters related to power efficiency. The preferred test method to measure the switching parameters of MOSFETs or IGBTs is the double-pulse-test method. By looking at turn-on, turn-off, and reverse-recovery parameters, engineers can thoroughly evaluate the dynamic behaviors of power devices under a range of conditions, whether to optimize devices or confirm the actual value or deviation of power devices and modules.
Performing this test requires generating at least two voltage pulses with varying pulse widths and precise timing, a historically time-consuming and error-prone process. However, this is changing with the advent of arbitrary function generators (AFGs) equipped with double-pulse-test application software. To get you down the road toward performing the double-pulse test more easily on your devices, we’ll first look at the basis for the double-pulse test. Then we’ll offer up tips and examples for efficiently performing double pulse testing using an AFG and an oscilloscope.
The Efficiency Challenge
The power electronics world is transitioning from silicon to wide-bandgap semiconductors such as silicon carbide (SiC) and gallium nitride (GaN) due to their superior performance in automotive and industrial applications. GaN and SiC enable smaller, faster, and more efficient design.
The need to enact greater energy efficiency in power electronics stretches from the point of power generation to the point of consumption (Fig. 1). Power converters operate at multiple stages throughout the generation, transmission, and consumption chain, and because none of those operations is 100% efficient, some power loss occurs at each step.
1. Power losses occur at the points of generation, transmission, and consumption.
Ideally, the switching device is either “on” or “off” (Fig. 2), and instantaneously switches between these states. In the “on” state, the impedance of the switch is zero and no power is dissipated in the switch, no matter how much current is flowing through it. In the “off” state, the impedance of the switch is infinite, and zero current is flowing, so no power is dissipated.
2. Ideal switching has zero power dissipation, but it isn’t possible in practice.
In practice, however, power is dissipated during the transition between “on” and “off” (turn-off) and between “off” and “on” (turn-on). These non-ideal behaviors occur because of parasitic elements in the circuit. As shown in Figure 3, the parasitic capacitances on the gate slow down the switching speed of the device, extending the turn-on and turn-off times. The parasitic resistances between the MOSFET drain and source dissipate power whenever drain current is flowing. Therefore, design engineers need to measure all of these timing parameters to keep the switching losses at minimum and in turn design more efficient converters.
3. The circuit sees a MOSFET switch much differently from how it appears on a schematic.
What is the Double-Pulse Test?
Double pulse is a test method to measure the switching parameters and evaluate the dynamic behaviors of power devices. It's used to measure the following switching parameters:
- Turn-on parameters: Turn-on delay (td(on)), rise time (tr), ton (turn-on time), Eon (On Energy), dv/dt, and di/dt. Energy loss is then determined.
- Turn-off parameters: Turn-off delay (td(off)), fall time (tf), toff (turn-off time), Eoff (Off Energy), dv/dt, and di/dt. Energy loss is then determined.
- Reverse-recovery parameters: trr (reverse-recovery time), Irr (reverse-recovery current), Qrr (reverse-recovery charge), Err (reverse-recovery energy), di/dt, and Vsd (forward on voltage).
The double-pulse test is performed to:
- Guarantee specification of power-device datasheets like MOSFETs and IGBTs.
- Confirm actual value or deviation of the power devices or power modules.
- Measure these switching parameters with various current value conditions and with many devices.
Double-pulse testing is usually performed as shown in Figure 4. The test is done with an inductive load and a power supply. The inductor is used to replicate circuit conditions in a converter design. An AFG is used to output pulses that trigger the gate of the MOSFET and turns it on to start conduction of current.
4. Double pulse is done with an inductive load and a power supply.
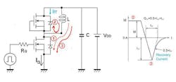
Figure 5 shows the current flow within the different stages of the test for a double-pulse test with MOSFETs. The same current flow also applies when using IGBTs (Fig. 6). Figure 7 shows the typical results of measurements that are taken on the low side MOSFET or IGBT.
5. Current follows the indicated flow with MOSFETs as devices under test (DUTs).
6. Current follows the indicated flow with IGBTs as DUTs.
7. Here are typical waveforms that result from double-pulse testing.
Now let’s take a look at the different stages of the double-pulse test and why it’s important to have control over pulse width and timing (note that these steps refer to Figs. 5, 6 and 7):
- The first step, which is represented by turn-on pulse number 1, is the initial adjusted pulse width. This establishes current in the inductor. This pulse is adjusted to get to the desired test current (Id) as shown in Figure 7.
- The second step is the turn-off of the first pulse, which creates current in the free-wheeling diode. The turn-off period is short to keep the load current as close as possible to a constant value. This can be seen in Figures 5 and 6, as the current flows through the diode of the high-side MOSFET or IGBT.
- The second step is represented by the second turn-on pulse. The pulse width is shorter than the first pulse so that the device is overheated. The second pulse needs to be long enough for the measurements to be taken. The current overshoot seen in Figure 7 is due to the reverse recovery of the free-wheeling diode from the high-side MOSFET/IGBT.
- Turn-off and turn-on timing measurements are then captured at the turn-off of the first pulse and the turn-on of the second pulse.
Double-Pulse-Test Setup
The equipment setup for running a double-pulse test is relatively straightforward (Fig. 8) and common across most engineering labs. The setup includes a mid-range oscilloscope, a probe with high-common-mode voltage rejection as well as current and differential probes, and a dc power supply or source measure unit (SMU) to supply the load voltage.
8. Double pulse depends on an AFG connected to the isolated gate driver that can generate two voltage pulses with varying pulse widths.
To perform the test, an AFG connects to the isolated gate driver and must be capable of generating at least two voltage pulses with varying pulse widths. As described above, the first pulse width is usually long and adjusted to get the desired switching current value. The second pulse needs to be adjusted independently of the first pulse and is usually shorter than the first pulse so that the power device isn’t destroyed.
Flexibility and fast waveform creation are important considerations when pulling together the test setup. The double-pulse test is useful for everything from the component level to the end-product level, encompassing research and development, verification, and characterization, as well as service failure analysis and repair. Given these various use cases, researchers and engineers need the ability to change parameters easily and intuitively and run the test cases with high efficiency and stability.
Although there are number of ways to create the pulses manually using a PC or microcontrollers, one of the easiest and most reliable is with an AFG equipped with a double-pulse test application (Fig. 9).
9. Double-pulse test software improves efficiency and stability for a variety of test cases.
Such software allows the user to adjust a number of parameters from a single application window, including:
- Number of pulses: 2 to 30 pulses
- Pulse widths from 20 ns to 150 μs
- High and low voltage
- Trigger delay
- Trigger source: manual, external, or timer
- Load: 50 Ω or high Z
Performing Double-Pulse Measurements
10. We used the STMicroelectronics EVAL6498L eval board as the test bed for our double-pulse test example.
To show how to perform double pulse testing, we grabbed STMicroelectronics’ EVAL6498L evaluation board (Fig. 10) along with N-channel 600-V MOSFETs rated at 7.5-A drain current, also from STMicroelectronics (STFH10N60M2). The power connections were as follows:
- The MOSFETs were soldered onto the board. Q2 is the low side and Q1 is the high side.
- Gate and source on Q1 needed to be shorted since Q1 wasn’t turned on.
- Gate resistor is soldered for Q2. R = 100 Ω.
- CH1 from the AFG was connected to inputs PWM_L and GND on the eval board.
- A power supply was connected to Vcc and GND inputs on the eval board to provide power to the gate-driver IC.
- An SMU was connected to HV and GND to provide power to the inductor.
- The inductor was also connected to HV and OUT.
Once all of the power connections were safely connected, we then connected the probes from the oscilloscope to Q2 (low-side MOSFET) (Fig. 11). Since the VGS is susceptible to common-mode noise, we used a probe with a high-common-mode rejection ratio. A differential voltage probe was connected to VDS and a current probe through a loop was used on the source lead of the MOSFET.
11. These are the scope measurement test points we used for this example.
Moving to the AFG, the amplitude of the pulses was set to 2.5 V. The pulse width for the first pulse was set to 10 µs, the gap was set to 5 µs, and the second pulse was set to 5 µs with a manual trigger. With the source set at 100 V and the oscilloscope set to take a single trigger measurement, the AFG delivered the output pulses, resulting in the waveforms shown in Figure 12.
12. Looking at these double-pulse waveforms, the current overshoot seen on Ids is due to reverse recovery of the free-wheeling diode from the high-side MOSFET/IGBT.
As you can see, the waveforms resemble those illustrated in Figure 7. The current overshoot seen on Ids is due to reverse recovery of the free-wheeling diode from the high-side MOSFET/IGBT. This spike is intrinsic to the device being used and contributes to power losses.
13. Turn-on and the turn-off parameters are calculated by using this industry-standard method.
To calculate the turn-on and the turn-off parameters, we looked at the falling edge of the first pulse and the rising edge of the second pulse. The standard method for measuring the turn-on and turn-off parameters is shown in Figure 13 and goes as follows:
- td(on): Time interval between VGS at 10% of its peak and Vds at 90% of its peak amplitude.
- Tr: Time interval between VDS at 90% and 10% of its peak amplitude.
- td(off): Time interval between VGS at 90% of its peak and Vds at 10% of its peak amplitude.
- Tf: Time interval between VDS at 10% and 90% of its peak amplitude.
Figure 14 shows the waveforms captured on the scope for turn-on parameters. Using the cursors, we were able to retrieve the timing parameter and then used the Math function to calculate the turn-on loss during that transition.
14. These waveforms were captured on the scope for turn-on parameters.
The following equation was subsequently used to calculate the energy losses during the transition:
Using the integral function on the scope for this specific example would yield to 4.7 μJ. This is a relatively a small energy loss since we only applied nominal voltage and current levels.
15. These waveforms were captured on the scope for turn-off parameters.
As with turn-on, we used cursors to retrieve turn-off timing parameters as shown in Figure 15; once again, the Math function was used to calculate the turn-off loss during the transition. We also used the same equation from above to calculate energy losses during the turn-off transition:
Using the integral function on the scope yields to 1.68 μJ. Again, this is a relatively a small energy loss since we only applied nominal voltage and current levels.
The final step in the test procedure was to measure the reverse-diode characteristics of the MOSFET. Reverse-recovery current occurs during the turn-on of the second pulse. As depicted in Figure 16, the diode conducts in a forward condition during current path 2. As the low-side MOSFET turns on again, the diode wants to immediately switch to a reverse blocking condition. However, the diode will conduct in a reverse condition for a short period of time, which is known as the reverse-recovery current. This reverse-recovery current is translated into energy losses, which directly impact the efficiency of the power converter.
Measurements are performed on the high-side MOSFET. This is done by measuring Id through the high-side MOSFET and Vsd across the diode. Note that Figure 16 also shows how the following reverse-recovery parameters are retrieved. These include trr, Irr, Qrr, Err, di/dt, and Vsd.
16. Reverse-recovery current occurs during the turn-on of the second pulse.
The waveforms shown in Figure 17 were captured at 20 V applied from the SMU. Using the cursors, we were able to retrieve the timing parameters.
17. These reverse-recovery waveforms were captured at 20 V applied from an SMU.
Once again using the Math function, we calculated the reverse-recovery energy loss during that transition. The following equation was used to calculate the energy losses during the transition:
Using the integral function on the scope yields to 7 μJ.
Summary
Double-pulse test is the preferred test method to measure the switching parameters and evaluate the dynamic behaviors of power devices. Test and design engineers that use this application are interested in switching losses of the converters.
The double-pulse test requires two voltage pulses with varying pulse widths, which is a notable pain point due to the time-consuming methods to create pulses with varying pulse widths. Some of these methods include creating waveforms on the PC and uploading them to a function generator. Others use microcontrollers that require a lot of effort and time to program. However, as shown in a real-life example, an AFG with double-pulse software offers a straightforward method to create pulses with varying pulse widths to support a variety of test cases.
Hanna Al Fahel is an Applications Engineer at Tektronix.
References
https://www.tek.com/document/application-note/measuring-power-supply-switching-loss-oscilloscope
https://training.ti.com/understanding-mosfet-datasheets-switching-parameters
https://www.mouser.com/datasheet/2/389/stfh10n60m2-974335.pdf
About the Author
Hanna Al Fahel
Applications Engineer
Hanna Al Fahel is an Applications Engineer at Tektronix/Keithley Instruments who supports the instrument product lines. While at Keithley, Hanna has held positions in Test Engineering and Applications. He provides technical support as the subject-matter expert for newly developed products, released models, and early product-development activities.
Prior to Tektronix, Hanna spent more than five years in the light-emitting-diode (LED) industry where he designed and tested various LED designs for the consumer and commercial industries. Hanna holds a Bachelor of Science in Physics from John Carroll University and a Master of Science in Electrical Engineering from Cleveland State University.





















