DSP Plus Piezo Driver Create Lens Cleaner for Autos, Other Cameras
Check out the other 2023 IDEA Award Nominees.
The proliferation of small, almost invisible cameras in automobiles and for general surveillance brings an easily ignored problem: the camera lens gets dirty from rain and debris, thus degrading the system’s performance with respect to image capture and analysis.
Some cars have as many as eight cameras and other exterior sensors for safety and even highly advanced functions such as LiDAR, yet it’s obviously unrealistic to expect drivers to regularly clean those lenses with a spray bottle and cloth. Furthermore, many of the surveillance units’ lenses are in hard-to-reach places.
But not to worry, as advanced technology is offering up a cleaning solution (no pun intended) via ultrasonic lens cleaning (ULC) as seen in the Texas Instruments ULC chipset. This pair is comprised of the ULC1001 application-specific digital signal processor (DSP) and DRV2901 piezoelectric transducer driver, working with a vibration transducer to create the ULC system.
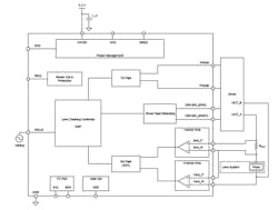
Using proprietary technology, it allows cameras to rapidly self-clear contaminants using precisely controlled vibrations to eliminate debris. The ULC1001 ultrasonic cleaning DSP functions as the controller, and includes proprietary, sophisticated algorithms for automatic material-type sensing and cleaning, as well as temperature and fault detection, without any off-chip image processing (Fig. 1).
The companion DRV2901 high-performance lens-cleaner transducer driver requires only a simple, passive LC-demodulation filter to deliver high-quality, high-efficiency amplification with demonstrated EMI compliance. It operates from two power supplies: 12 V for VDD and its ground, along with 12 to 48 V for the transducer driver. The high-efficiency half-bridge power stage features 90-mΩ output MOSFETs and provides up to 50-W peak power.
Keeping the Lens Clean
The integrated programmable cleaning modes include water (expelling); deice (melting and expelling); mud (dehydrating and expelling); auto-cleaning (detecting and expelling); and custom cleaning modes.
Moreover, the ULC technology is easily adaptable to various camera-lens designs. It integrates a pulse-width modulator, current- and voltage-sense amplifiers, and an analog-to-digital converter. When used with the DRV2901 piezo transducer driver as a companion amplifier, the chipset provides ULC functionality in a compact footprint with a PCB size measuring less than 25 × 15 mm.
ULC leverages the concept of constructive interference through resonance, amplifying energy from microscopic vibrations into energy strong enough to move or atomize water. Hydrophobic and oleophobic coatings are an effective way to reduce lens polarity, optimizing the performance of ULC systems.
Glass, silicon, and polycarbonate lenses all have natural frequencies depending on their shape and thickness. By precisely applying ultrasonic vibration in special patterns using piezo transducers and advanced semiconductors, it can effectively blast off water, dirt, and other contaminants from a surface.
Transducer Installation: An Important Factor
It’s not electronics alone that makes ULC feasible, as the transducer and its mechanical arrangement also are an important part of the story. The piezo-based approach has minimal design impact on the existing lens assembly (Fig. 2) and can use either of two different transducer geometries (Fig. 3).
By comparison, other lens-cleaning approaches such as miniaturized windshield wipers, hidden water jets, need replenishment, while compressed air and spinning lenses require a pump or motor. Thus, they’re overly complex, expensive, and don’t work in many scenarios.
One installation method for ULC devised by TI uses a bracket to interface a uniformly thick lens with a ring-shaped piezo transducer. Ring transducers take up little additional space, and the bracket eliminates any direct glass-to-piezo contact—which can be challenging to bond—enabling a scalable manufacturing process with reliable results. This assembly is called a lens cover system (LCS) because it sits compactly over the camera lens, similar to the flat glass window you can see over smartphone cameras.
One Standing Wave Isn’t Enough
A simple vibration-based approach begins with determining and then inducing resonance of the lens at one of its natural frequencies to create a single-mode standing wave. Therefore, a high acceleration level on the surface expels the water. A typical frequency for driving a single mode on a circular glass lens that’s 10 to 40 mm in diameter and 0.5 to 2 mm thick is usually between 20 and 100 kHz.
As an added complication, the basic resonance frequency changes slightly with contaminants. So, a cleaning cycle may need a sweep of a few kilohertz around the natural frequency of the lens to accommodate the shift.
Of course, things are never as simple in implementation as they are in concept. The single-mode drive would have static null valleys on the lens surface where there would be no cleaning effect. Thus, the algorithm must implement bimodal cleaning using two different standing waves in consecutive cleaning cycles to eliminate the null effect (Fig. 4).
Packaging, Availability, and Pricing
An evaluation module (ULC1001-DRV290XEVM) is available for $249 (Fig. 5). It allows developers to exercise the system, including “exciting” the lens cover and expelling contaminants. The PC-driven module includes a GUI so that designers can assess functionality and algorithms, and even start developing and evaluating their own ultrasonic lens-cleaning applications.
About the Author

Bill Schweber
Contributing Editor
Bill Schweber is an electronics engineer who has written three textbooks on electronic communications systems, as well as hundreds of technical articles, opinion columns, and product features. In past roles, he worked as a technical website manager for multiple topic-specific sites for EE Times, as well as both the Executive Editor and Analog Editor at EDN.
At Analog Devices Inc., Bill was in marketing communications (public relations). As a result, he has been on both sides of the technical PR function, presenting company products, stories, and messages to the media and also as the recipient of these.
Prior to the MarCom role at Analog, Bill was associate editor of their respected technical journal and worked in their product marketing and applications engineering groups. Before those roles, he was at Instron Corp., doing hands-on analog- and power-circuit design and systems integration for materials-testing machine controls.
Bill has an MSEE (Univ. of Mass) and BSEE (Columbia Univ.), is a Registered Professional Engineer, and holds an Advanced Class amateur radio license. He has also planned, written, and presented online courses on a variety of engineering topics, including MOSFET basics, ADC selection, and driving LEDs.





