Infineon’s New Gate Driver Quickly Cuts Power to Protect 8- to 125-V Battery Devices
What you’ll learn:
- Details about the EiceDriver 1EDL8011 high-side gate driver for module power switching.
- Protects battery-powered applications such as cordless power tools, robotics, e-bikes, and vacuum cleaners in the event of a fault.
- Industrial-qualified in DSO-8 package and suitable for up to 125-V operation.
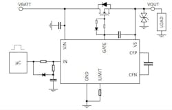
In battery-powered applications such as motor drives and switched-mode power supplies (SMPS), the power-supply architecture often requires that a module can be disconnected from the main supply rail when a fault occurs in that module. To achieve this functionality, it’s common to use high-side disconnect switches (e.g., MOSFETs) to prevent a load short circuit from affecting the battery.
On that front, Infineon Technologies AG introduced the EiceDRIVER 1EDL8011, a high-side gate driver designed to protect battery-powered applications such as cordless power tools, robotics, e-bikes, and vacuum cleaners in the event of a fault.
The device provides fast turn-on and turn-off of high-side N-channel MOSFETs with its high gate current capabilities. It consists of an integrated charge pump with an external capacitor to provide strong startup. The internal charge pump supplies the MOSFET gate voltage when the operating input voltage is low.
The gate-driver IC manages inrush current and provides fault protection. Undervoltage-lockout (UVLO) protection at input voltage prevents the device from operating under hazardous conditions. The driver comes in a DSO-8 package, suiting it for space-constrained designs. It includes overcurrent protection (OCP), adjustable current setting threshold, time delay, and a safe startup mechanism with flexible blanking during MOSFET turn-on transitions.
Key Features of the New EiceDRIVER
- Maximum input voltage of 125 V
- Minimum input voltage of 8 V
- −40~125°C Tj
- High gate sinking current of up to 1 A
- Low off-mode quiescent current of 1 µA
- Strong driver for fast turn-off
- Strong charge pump for fast startup
- VDS sense for overcurrent protection
- Internal charge pump
- Industrial qualification, temperature range
- DSO-8 5.00- × 6.00-mm package
Potential Applications
- Power tools
- Gardening tools
- Robotics, e-bikes, vacuum cleaners
- Drones and multicopters
The 1EDL8011 HS gate driver is immediately available. Pricing at distributors is about $1.02 for 1k quantities.
About the Author
Andy Turudic
Technology Editor, Electronic Design
Andy Turudic is a Technology Editor for Electronic Design Magazine, primarily covering Analog and Mixed-Signal circuits and devices and also is Editor of ED's bi-weekly Automotive Electronics newsletter.
He holds a Bachelor's in EE from the University of Windsor (Ontario Canada) and has been involved in electronics, semiconductors, and gearhead stuff, for a bit over a half century. Andy also enjoys teaching his engineerlings at Portland Community College as a part-time professor in their EET program.
"AndyT" brings his multidisciplinary engineering experience from companies that include National Semiconductor (now Texas Instruments), Altera (Intel), Agere, Zarlink, TriQuint,(now Qorvo), SW Bell (managing a research team at Bellcore, Bell Labs and Rockwell Science Center), Bell-Northern Research, and Northern Telecom.
After hours, when he's not working on the latest invention to add to his portfolio of 16 issued US patents, or on his DARPA Challenge drone entry, he's lending advice and experience to the electric vehicle conversion community from his mountain lair in the Pacific Northwet[sic].
AndyT's engineering blog, "Nonlinearities," publishes the 1st and 3rd Tuesday of each month. Andy's OpEd may appear at other times, with fair warning given by the Vu meter pic. His cartoon series, "Inventors", appears each week in Electronic Design Weekly.
Voice Your Opinion!
To join the conversation, and become an exclusive member of Electronic Design, create an account today!

Leaders relevant to this article:


