Current-Sense Amplifiers from A to “I” (.PDF Download)
Accurately measuring current flow is a standard requirement in several applications (Fig. 1). Depending on the specific need, the options available to designers can include discrete designs assembled from standard components, application-specific devices, and ready-made solutions embedded into another block such as a microcontroller or system-on-chip (SoC) device. In this article, we’ll look at some of these approaches, their advantages and disadvantages, and how to make the best use of them in a design.
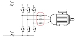
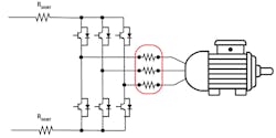
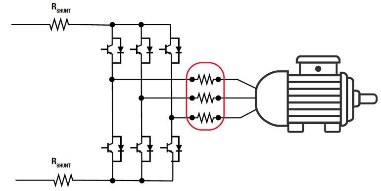
1. Measuring current is a key part of many industrial operations, such as this three-phase motor controller.


